Got B,C,D type and different Amperage. How and what to choose?

Home Electrical MCB, How to size Miniature Circuit Breaker
|
|
Oct 9 2013, 02:02 PM, updated 13y ago
Show posts by this member only | Post
#1
|
![]() ![]() ![]() ![]() ![]() ![]()
Senior Member
1,365 posts Joined: Jun 2009 |
Anyone knows how to size MCB of our home?
Got B,C,D type and different Amperage. How and what to choose? ![]() |
|
|
|
|
|
Oct 9 2013, 02:39 PM
Show posts by this member only | Post
#2
|
![]() ![]() ![]() ![]() ![]() ![]() ![]()
Senior Member
2,768 posts Joined: Feb 2012 |
QUOTE(stevie8 @ Oct 9 2013, 02:02 PM) Anyone knows how to size MCB of our home? Bro, if you are not sure please get engage the help from a professional electrician. In the event of overload, fire may occur thus handle with care.Got B,C,D type and different Amperage. How and what to choose? ![]() This post has been edited by Xccess: Oct 9 2013, 02:40 PM |
|
|
Oct 9 2013, 02:49 PM
Show posts by this member only | Post
#3
|
![]() ![]() ![]() ![]() ![]() ![]() ![]()
Senior Member
7,247 posts Joined: Nov 2008 From: SINGAPORE💃 |
|
|
|
Oct 9 2013, 02:51 PM
Show posts by this member only | Post
#4
|
![]() ![]() ![]() ![]() ![]() ![]() ![]() ![]()
All Stars
12,019 posts Joined: Jan 2003 |
|
|
|
Oct 9 2013, 04:17 PM
Show posts by this member only | Post
#5
|
![]() ![]() ![]() ![]() ![]() ![]()
Senior Member
1,365 posts Joined: Jun 2009 |
|
|
|
Oct 9 2013, 06:29 PM
Show posts by this member only | Post
#6
|
![]() ![]() ![]() ![]() ![]() ![]() ![]() ![]()
All Stars
12,019 posts Joined: Jan 2003 |
Actually, why do you post this question?
|
|
|
|
|
|
Oct 9 2013, 10:32 PM
Show posts by this member only | Post
#7
|
![]() ![]() ![]() ![]() ![]() ![]()
Senior Member
1,365 posts Joined: Jun 2009 |
QUOTE(weikee @ Oct 9 2013, 06:29 PM) My house MCB most of it harden already, stuck, so difficult to pull down or push up. My electrician advised me to change all even though some are still good. And he suggested all change to 32A. I have 10, 20 and 32A. I am worry about his advice to change all to 32a and if the cable/wire can take load and what is the danger of doing so.It is time to get some advice from others like you and be sure and if I can diy or just let him do it. See picture of my DB and the 3 types of MCB. |
|
|
Oct 9 2013, 10:43 PM
Show posts by this member only | Post
#8
|
![]() ![]()
Junior Member
117 posts Joined: Jan 2012 |
all change to 32? what for
if the device only suppose to run 5A, and connect to a 8A breaker. anything more than 8 it will trip to protect the device unless you expect it to shoot up to 32, no point to up the amp by so much. 100 percent still reasonable, few hundred |
|
|
Oct 9 2013, 10:48 PM
Show posts by this member only | Post
#9
|
![]() ![]()
Junior Member
54 posts Joined: Jan 2003 |
First thing you need to do is terminate your electrician....change all to 32A???
The big one with black handle is the Main Switch - If you ON/OFF this, it will ON/OFF whole house The blue handle is the ELCB (Earth Leakage Circuit Breaker) - This is the protective device to protect your electrical system if there is a current leakage. The other are MCB (Miniature Circuit Breaker) - This is the circuit breaker of each wiring circuit. My suggestion....replace according to existing rating..... This post has been edited by ezzone: Oct 9 2013, 10:58 PM |
|
|
Oct 9 2013, 10:54 PM
|
![]() ![]() ![]() ![]() ![]() ![]() ![]() ![]()
All Stars
12,019 posts Joined: Jan 2003 |
QUOTE(stevie8 @ Oct 9 2013, 10:32 PM) My house MCB most of it harden already, stuck, so difficult to pull down or push up. My electrician advised me to change all even though some are still good. And he suggested all change to 32A. I have 10, 20 and 32A. I am worry about his advice to change all to 32a and if the cable/wire can take load and what is the danger of doing so. Your electrician want you to change house is it? All 32Amp, if wires are 1.5mm, use until wires burn the MCB won't trip. Usually they will put 20A for socket, and some will use 32A for a/c and heater, but 20A is good enough because 2.5mm can't supply 32A load for long period, and now a/c don't have such high spike.It is time to get some advice from others like you and be sure and if I can diy or just let him do it. See picture of my DB and the 3 types of MCB. Light, use back 6A or 10A. Best check the old MCB, and do direct replace. lcloon liked this post
|
|
|
Oct 9 2013, 10:58 PM
|
![]() ![]() ![]() ![]() ![]() ![]()
Senior Member
1,365 posts Joined: Jun 2009 |
Thanks for the replies.
But the problem is few socket/power point to one MCB. So, if on all together total load could be more than 20A. Let me check one by one and post here again. |
|
|
Oct 9 2013, 11:03 PM
|
![]() ![]() ![]() ![]() ![]() ![]()
Senior Member
1,365 posts Joined: Jun 2009 |
QUOTE(weikee @ Oct 9 2013, 10:54 PM) Your electrician want you to change house is it? All 32Amp, if wires are 1.5mm, use until wires burn the MCB won't trip. Usually they will put 20A for socket, and some will use 32A for a/c and heater, but 20A is good enough because 2.5mm can't supply 32A load for long period, and now a/c don't have such high spike. This is not the original, he changed it 12 yrs ago when i reno my house so direct replace also may not be correct. Light, use back 6A or 10A. Best check the old MCB, and do direct replace. I will test out all how it is all connected how the MCB are shared and post the table here for your further advice. Now at night cannot test, cannot see in the dark. Also, that is why i am asking about the wire, how to identify the wire rating. This post has been edited by stevie8: Oct 9 2013, 11:04 PM |
|
|
Oct 10 2013, 12:44 AM
|
![]() ![]() ![]()
Junior Member
383 posts Joined: Jul 2013 |
QUOTE(stevie8 @ Oct 9 2013, 10:58 PM) Thanks for the replies. 1) The solution to this particular problem is to add more MCB and split some of the socket to the extra MCB.But the problem is few socket/power point to one MCB. So, if on all together total load could be more than 20A. Let me check one by one and post here again. 2) As others have mentioned using 32A MCB with writing only meant for 10, 15 or 20A MCB will lead to fire when there is an overload. 3) fire you electrician and get one that gives good advice. |
|
|
|
|
|
Oct 10 2013, 07:58 AM
|
![]() ![]() ![]() ![]() ![]() ![]() ![]() ![]()
All Stars
12,019 posts Joined: Jan 2003 |
QUOTE(stevie8 @ Oct 9 2013, 11:03 PM) This is not the original, he changed it 12 yrs ago when i reno my house so direct replace also may not be correct. Not easy to guide you identify wire type. Best go to the electric shop ask sample. Alternative, take out your power point faceplate see the wire, hope your contractor use the correct wire size.I will test out all how it is all connected how the MCB are shared and post the table here for your further advice. Now at night cannot test, cannot see in the dark. Also, that is why i am asking about the wire, how to identify the wire rating. |
|
|
Oct 10 2013, 08:27 AM
|
![]() ![]() ![]() ![]() ![]() ![]() ![]() ![]()
All Stars
12,019 posts Joined: Jan 2003 |
If you share few load into one MCB and use over 15amp load, long run if the 2.5mm cable don't burn it will get harden and trip frequent because cable can be crack.
|
|
|
Oct 10 2013, 10:37 AM
|
![]() ![]()
Junior Member
103 posts Joined: Jan 2003 From: PJ |
QUOTE(weikee @ Oct 10 2013, 07:58 AM) Not easy to guide you identify wire type. Best go to the electric shop ask sample. Alternative, take out your power point faceplate see the wire, hope your contractor use the correct wire size. You better get a qualified electrician - make sure he is registered with TNB before you engage. Wire-cable thickness is very important ... if the load more than wire can handle then it will overload which leads to wire becomes heated up which leads to electrical fire.Each wall power socket should not be more than 13A which means your fuse should be 15A. And depending on how your electrician wired up your sockets previously ... some electricians do short cut ... they put multiple wall socket on one wire example one room you ask 3 sockets ... that may be shared with 1 wire 1 MCB ... thus it is no better than an extension bar ... maximum load combined is only 13A. Kitchen appliances such fridge, washing machines, microwave, electric stove, etc. usually will require its own dedicated socket and MCB ... that would be around 20A each. This especially true if you use very old appliances. New modern appliances nowadays use a lot smaller amps - so a standard 13A can support. You better check your appliance power draw requirements and count ... to be safe make sure total amp to 1 wall socket is no more than 13A. If you are overloading ... you have inefficient electric wiring which leads to high power loss which leads to a higher power bill. So when it comes to electric wiring ... don't play-play ... be penny wise pound foolish. Hope that helps. This post has been edited by amberglow: Oct 10 2013, 10:41 AM |
|
|
Oct 10 2013, 10:38 AM
|
![]() ![]() ![]() ![]() ![]() ![]()
Senior Member
1,365 posts Joined: Jun 2009 |
|
|
|
Oct 10 2013, 10:56 AM
|
![]() ![]() ![]() ![]() ![]() ![]()
Senior Member
1,365 posts Joined: Jun 2009 |
|
|
|
Oct 10 2013, 01:39 PM
|
![]() ![]() ![]() ![]() ![]() ![]() ![]()
Senior Member
2,768 posts Joined: Feb 2012 |
Bro, a word of advice, please get the help of a certified electrician. I used to work as a electrician many years ago when I was much younger, even with a certain level of experience, I won't touch the electrical box let alone changing of ELCB and ECB.
Please take note there's live wire in it unless you shut off from the main electrical board outside your unit. Stay safe. |
|
|
Oct 10 2013, 01:44 PM
|
![]() ![]() ![]() ![]() ![]() ![]()
Senior Member
1,763 posts Joined: Nov 2004 From: GrAVe YArd |
Lighting Load
6-10A (cable use 1.5mm) Power Load 20A -30A (cable radial or ring circuit) |
|
|
Oct 10 2013, 02:24 PM
|
![]() ![]() ![]() ![]() ![]() ![]() ![]() ![]()
All Stars
12,019 posts Joined: Jan 2003 |
Not many use ring circuit.
|
|
|
Oct 10 2013, 03:49 PM
|
![]() ![]() ![]() ![]() ![]() ![]()
Senior Member
1,365 posts Joined: Jun 2009 |
QUOTE(Xccess @ Oct 10 2013, 01:39 PM) Bro, a word of advice, please get the help of a certified electrician. I used to work as a electrician many years ago when I was much younger, even with a certain level of experience, I won't touch the electrical box let alone changing of ELCB and ECB. Thanks for your advise, this thing cannot DIY, too dangerous, evenh though I know got to pull out the big black fuse from outside at the meter. There are just too many wires in the DB, once take out the MCB got to mark which pair in the circuit. And if cannot finish work in one day, whole house got no light. Fridge has to be empty otherwise foods go bad.Please take note there's live wire in it unless you shut off from the main electrical board outside your unit. Stay safe. |
|
|
Oct 10 2013, 03:50 PM
|
![]() ![]() ![]() ![]() ![]() ![]()
Senior Member
1,365 posts Joined: Jun 2009 |
|
|
|
Oct 10 2013, 04:04 PM
|
![]() ![]() ![]() ![]() ![]() ![]() ![]() ![]()
All Stars
12,019 posts Joined: Jan 2003 |
|
|
|
Oct 10 2013, 07:40 PM
|
![]() ![]() ![]() ![]() ![]() ![]()
Senior Member
1,365 posts Joined: Jun 2009 |
QUOTE(Sydneguy @ Oct 10 2013, 12:44 AM) 1) The solution to this particular problem is to add more MCB and split some of the socket to the extra MCB. Any electrician real good and qualified one to recommend?2) As others have mentioned using 32A MCB with writing only meant for 10, 15 or 20A MCB will lead to fire when there is an overload. 3) fire you electrician and get one that gives good advice. |
|
|
Oct 10 2013, 07:44 PM
|
![]() ![]() ![]() ![]() ![]() ![]()
Senior Member
1,365 posts Joined: Jun 2009 |
QUOTE(amberglow @ Oct 10 2013, 10:37 AM) You better get a qualified electrician - make sure he is registered with TNB before you engage. Wire-cable thickness is very important ... if the load more than wire can handle then it will overload which leads to wire becomes heated up which leads to electrical fire. How man? The existing DB Box is full and I have so many power points and dont know how it was connected if one wire shares many points. Each wall power socket should not be more than 13A which means your fuse should be 15A. And depending on how your electrician wired up your sockets previously ... some electricians do short cut ... they put multiple wall socket on one wire example one room you ask 3 sockets ... that may be shared with 1 wire 1 MCB ... thus it is no better than an extension bar ... maximum load combined is only 13A. Kitchen appliances such fridge, washing machines, microwave, electric stove, etc. usually will require its own dedicated socket and MCB ... that would be around 20A each. This especially true if you use very old appliances. New modern appliances nowadays use a lot smaller amps - so a standard 13A can support. You better check your appliance power draw requirements and count ... to be safe make sure total amp to 1 wall socket is no more than 13A. If you are overloading ... you have inefficient electric wiring which leads to high power loss which leads to a higher power bill. So when it comes to electric wiring ... don't play-play ... be penny wise pound foolish. Hope that helps. |
|
|
Oct 10 2013, 07:51 PM
|
![]() ![]() ![]()
Junior Member
383 posts Joined: Jul 2013 |
|
|
|
Oct 10 2013, 07:54 PM
|
![]() ![]() ![]()
Junior Member
383 posts Joined: Jul 2013 |
QUOTE(stevie8 @ Oct 10 2013, 07:44 PM) How man? The existing DB Box is full and I have so many power points and dont know how it was connected if one wire shares many points. You can get electrician to add an extra sub-board, either next to the existing one or some other place in your house then run 60A or 100A cable from that sub-DB back to your main DB.But I expect that will cost something like RM1-2k including hardware (RM700-1200). Cheers. |
|
|
Oct 10 2013, 08:01 PM
|
![]() ![]() ![]() ![]() ![]() ![]() ![]()
Senior Member
2,768 posts Joined: Feb 2012 |
|
|
|
Oct 10 2013, 08:07 PM
|
![]() ![]() ![]() ![]() ![]() ![]()
Senior Member
1,365 posts Joined: Jun 2009 |
QUOTE(Sydneguy @ Oct 10 2013, 07:54 PM) You can get electrician to add an extra sub-board, either next to the existing one or some other place in your house then run 60A or 100A cable from that sub-DB back to your main DB. Cost is not so much of a problem. The problem is under the existing box below are a row of switches sure got wire running in the wall.But I expect that will cost something like RM1-2k including hardware (RM700-1200). Cheers. Also, the wires now terminated at the DB box and how to connect to another place without major re-wiring? Even next to it still need to connect and lengthen the wire one by one? This time i want to make sure i know what is to be done before getting electrician to do what he wants or easy cincai job. |
|
|
Oct 10 2013, 08:10 PM
|
![]() ![]() ![]() ![]() ![]() ![]()
Senior Member
1,365 posts Joined: Jun 2009 |
|
|
|
Oct 10 2013, 08:11 PM
|
![]() ![]() ![]() ![]() ![]() ![]() ![]()
Senior Member
2,768 posts Joined: Feb 2012 |
|
|
|
Oct 10 2013, 08:23 PM
|
![]() ![]() ![]() ![]() ![]() ![]() ![]()
Senior Member
2,768 posts Joined: Feb 2012 |
|
|
|
Oct 10 2013, 08:37 PM
|
![]() ![]() ![]()
Junior Member
383 posts Joined: Jul 2013 |
QUOTE(stevie8 @ Oct 10 2013, 08:07 PM) l. Yeap, sorry to say it wont be a simple job.Also, the wires now terminated at the DB box and how to connect to another place without major re-wiring? If you have usstairs and downstairs then most of the wires will run from upstairs to downstairs at the same place, somewhere near the DB, most likeley just above it. Then the easiest solution is to put a sub-BD upstairs near that common location and connect all those wires from upstairs into that DB, then run one big wire downstairs to the main DB. now your upstairs sub-DB should have several spare CB slot, and you will have freed up several CB slot in the downstairs DB. then can add in extra DB as required. In Australia most of our internal and even most external walls are cavity walls, so its very easy to run extra wires. Here in Malaysia the wires usually plastered into the brick wall so have to hack the wall to run new wires. If your super lucky the electrician will have placed some conduit in the birck/concrete wall and you can pull a new wire through that without hacking the wall, but from what ive seen that is very very very rare case in Malaysia. Cheers |
|
|
Oct 10 2013, 08:47 PM
|
![]() ![]() ![]() ![]() ![]() ![]()
Senior Member
1,365 posts Joined: Jun 2009 |
|
|
|
Oct 10 2013, 09:01 PM
|
![]() ![]() ![]() ![]() ![]() ![]() ![]() ![]()
All Stars
12,019 posts Joined: Jan 2003 |
QUOTE(stevie8 @ Oct 10 2013, 08:07 PM) Cost is not so much of a problem. The problem is under the existing box below are a row of switches sure got wire running in the wall. Cost really depend on the aesthetic, it need to be hack and conceal again. When I renovate my house, I insist minimal looping, and identify every single point that go direct. I have 2 DB Box, one per floor, even separate the ELCB.Also, the wires now terminated at the DB box and how to connect to another place without major re-wiring? Even next to it still need to connect and lengthen the wire one by one? This time i want to make sure i know what is to be done before getting electrician to do what he wants or easy cincai job. My ground floor ![]() My first floor ![]() |
|
|
Oct 10 2013, 09:02 PM
|
![]() ![]() ![]() ![]() ![]() ![]()
Senior Member
1,365 posts Joined: Jun 2009 |
QUOTE(Sydneguy @ Oct 10 2013, 08:37 PM) Yeap, sorry to say it wont be a simple job. Good idea to have the sub DB upstairs. But I have to find from photos taken last time. Below pic is the massive wires at DB photo taken during reno 12 yrs ago.If you have usstairs and downstairs then most of the wires will run from upstairs to downstairs at the same place, somewhere near the DB, most likeley just above it. Then the easiest solution is to put a sub-BD upstairs near that common location and connect all those wires from upstairs into that DB, then run one big wire downstairs to the main DB. now your upstairs sub-DB should have several spare CB slot, and you will have freed up several CB slot in the downstairs DB. then can add in extra DB as required. In Australia most of our internal and even most external walls are cavity walls, so its very easy to run extra wires. Here in Malaysia the wires usually plastered into the brick wall so have to hack the wall to run new wires. If your super lucky the electrician will have placed some conduit in the birck/concrete wall and you can pull a new wire through that without hacking the wall, but from what ive seen that is very very very rare case in Malaysia. Cheers This is where the wire from G floor to 1st floor and up to ceiling, i think. Got to go up to ceiling to check this week end. As you can see no conduit in wall. Conduit only on those above plaster ceiling. So have to drill a hole thru the 1st flr slap down to plaster ceiling for the thick cable |
|
|
Oct 10 2013, 09:10 PM
|
![]() ![]() ![]()
Junior Member
477 posts Joined: Jan 2009 |
|
|
|
Oct 10 2013, 09:11 PM
|
![]() ![]() ![]() ![]() ![]() ![]()
Senior Member
1,365 posts Joined: Jun 2009 |
|
|
|
Oct 10 2013, 09:19 PM
|
![]() ![]() ![]()
Junior Member
383 posts Joined: Jul 2013 |
Just for comparison purposes here is my current DB. Its quite small, but its only for a 3 bedroom 1200sqft Condo with only 4 AC, 3 of which are hardly ever used.
There are 12 CB. 5 pcs 32 A 4 pcs 20A and 3 pcs 6 A the RCB is 0.3A and the Main CB is only 32A. I once tried to map out which lights and power sockets got to which CB but i gave up after only a few as it didnt make much sense. In particular some CB had both Lights and power socket on the the same CB, which is a big NO-NO is Oz but not sure about the wiring rules here. My the power sockets for the Kitchen, laundry and common bathroom also also seem to be on one CB, since i have tripped it a few times when I have I had the washing machine, kettle, rice cooker and someone showering at the same time. Cheers Attached thumbnail(s) |
|
|
Oct 10 2013, 09:23 PM
|
![]() ![]() ![]() ![]() ![]() ![]()
Senior Member
1,365 posts Joined: Jun 2009 |
QUOTE(weikee @ Oct 10 2013, 09:01 PM) Cost really depend on the aesthetic, it need to be hack and conceal again. When I renovate my house, I insist minimal looping, and identify every single point that go direct. I have 2 DB Box, one per floor, even separate the ELCB. Wow...nice.My ground floor ![]() My first floor ![]() |
|
|
Oct 10 2013, 09:25 PM
|
![]() ![]() ![]() ![]() ![]() ![]()
Senior Member
1,365 posts Joined: Jun 2009 |
QUOTE(kickent @ Oct 10 2013, 09:10 PM) Can't understand the table. mine showing me which are for 10A, 20A and 32A from the table? |
|
|
Oct 10 2013, 09:30 PM
|
![]() ![]() ![]() ![]() ![]() ![]()
Senior Member
1,365 posts Joined: Jun 2009 |
QUOTE(Sydneguy @ Oct 10 2013, 09:19 PM) Just for comparison purposes here is my current DB. Its quite small, but its only for a 3 bedroom 1200sqft Condo with only 4 AC, 3 of which are hardly ever used. My original DB also look like this.There are 12 CB. 5 pcs 32 A 4 pcs 20A and 3 pcs 6 A the RCB is 0.3A and the Main CB is only 32A. I once tried to map out which lights and power sockets got to which CB but i gave up after only a few as it didnt make much sense. In particular some CB had both Lights and power socket on the the same CB, which is a big NO-NO is Oz but not sure about the wiring rules here. My the power sockets for the Kitchen, laundry and common bathroom also also seem to be on one CB, since i have tripped it a few times when I have I had the washing machine, kettle, rice cooker and someone showering at the same time. Cheers |
|
|
Oct 10 2013, 09:34 PM
|
![]() ![]() ![]() ![]() ![]() ![]() ![]() ![]()
All Stars
12,019 posts Joined: Jan 2003 |
QUOTE(stevie8 @ Oct 10 2013, 09:25 PM) It show the cable thickness and its properties. A more layman site http://www.epanorama.net/index.php?index=calc_cable It give you very general guideline if room temperature are 20c, if you have bad quality cable or long run cable the guideline won't apply.This post has been edited by weikee: Oct 10 2013, 09:35 PM |
|
|
Oct 10 2013, 09:48 PM
|
![]() ![]() ![]()
Junior Member
383 posts Joined: Jul 2013 |
QUOTE(stevie8 @ Oct 10 2013, 09:25 PM) Look at the Column called "NEC copper wire ampacity with 60/75/90 °C insulation (A)[7]"NEC in USA means National Electrical Code which is the rules for wiring etc. This Column has 3 numbers which correspond respectively to whether the wire has 60 or 75 or 90 Deg C insulation. In that column find the maximum Amps you need to carry, and then look across to the the Wire Diameter in mm2. BTW unless you are sure best to always assume your wire is the lowest rated insulation ie 60degC eg Lets say you want to caryy 32A, there is no 32 A for 60degC, only 30 or 40 A, so select 40A then look across and you will see you need 8.37mm2 wire. Now 8.37mm2 wire sounds a little bit big to me for 32 A, which I seem to recall (assuming my memory is working correctly) 32A usually needs about 4mm2. Now from the table you can see that 4.17mm2 wire can carry something between 30 and 40 A if it is 90deg C insulated (but like i said always better to oversize wires and be safe than sorry). BTW I'm an Aerospace, Mechanical and Industrial Engineer, NOT an Electrical Engineer so take the about as friendly advice only. Best to consult an Electrical Engineer or licensed Electrician. Cheers |
|
|
Oct 10 2013, 10:14 PM
|
![]() ![]() ![]() ![]() ![]() ![]()
Senior Member
1,365 posts Joined: Jun 2009 |
Weikee, Sydneguy,
Tq very much. Now I am somewhere to it already. I am not trying to master. Just want to know if the existing wire is safe and use the right CB for the circuit when I get my electrician to replace and add the CBs. Not just blindly follow what he says. I should have that many CBs as what Weikee has with 2 DBs. The idea of having 2 DBs is great. I just need to locate where the original developer wires supply to 1st floor. I think it should be somewhere at the ceiling where there is a bunch of wire out from one of a side wall. There will be some hacking but it is ok. |
|
|
Oct 11 2013, 12:49 AM
|
![]() ![]() ![]()
Junior Member
383 posts Joined: Jul 2013 |
|
|
|
Oct 11 2013, 10:23 AM
|
![]() ![]() ![]() ![]() ![]() ![]()
Senior Member
1,365 posts Joined: Jun 2009 |
Just to confirm one more question.
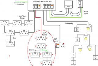
Diagram below refers: In the radial circuit as circled in red. The circuit is protected by a 20a CB. Question: Am I right to say the amperage of the wire(denoted in red) it carries in the radial circuit is the sum of all the 10 power points? If each point consuming 1a, the total amperage of the "red" wire is 10a? Similarly, The "green colour" wire is the sum of 7,8,9 and 10? |
|
|
Oct 11 2013, 11:14 AM
|
![]() ![]() ![]() ![]() ![]() ![]() ![]() ![]()
All Stars
12,019 posts Joined: Jan 2003 |
Yes, but 10 is way too much. If the circuit break for whatever reason you lost 10 points. And if got flyback say from lighting strik to one equipment you may loose all the connected equipment.
QUOTE(stevie8 @ Oct 11 2013, 10:23 AM) Just to confirm one more question. Diagram below refers: In the radial circuit as circled in red. The circuit is protected by a 20a CB. Question: Am I right to say the amperage of the wire(denoted in red) it carries in the radial circuit is the sum of all the 10 power points? If each point consuming 1a, the total amperage of the "red" wire is 10a? Similarly, The "green colour" wire is the sum of 7,8,9 and 10? |
|
|
Oct 11 2013, 12:35 PM
|
![]() ![]() ![]() ![]() ![]() ![]()
Senior Member
1,365 posts Joined: Jun 2009 |
One more question comes to mind. Look like never ending...
If I get to locate the bunch of wires run up to the first floor and cut them and fix a new DB at the 1st floor, I then need to run a thick cable from the new DB to the main DB at the ground floor right? Question: Instead of pulling a new thick cable (live, neutral and earth), can I twist a few or all of the existing "cut" cables (become a big thick cable) that I cut (for making the new DB) which connect down to the ground floor DB, same twist them together? See drawing below: This post has been edited by stevie8: Oct 11 2013, 12:37 PM |
|
|
Oct 11 2013, 12:37 PM
|
![]() ![]()
Junior Member
103 posts Joined: Jan 2003 From: PJ |
QUOTE(stevie8 @ Oct 11 2013, 10:23 AM) Just to confirm one more question. Ewwww ... really bad design .. your power sockets are no better than a RM30 extension bar since they all share the same fuse. One blow all blow ... and you have a high chance of overloading unless you are consciously remembering how many devices you are putting on that circuit.Diagram below refers: In the radial circuit as circled in red. The circuit is protected by a 20a CB. Question: Am I right to say the amperage of the wire(denoted in red) it carries in the radial circuit is the sum of all the 10 power points? If each point consuming 1a, the total amperage of the "red" wire is 10a? Similarly, The "green colour" wire is the sum of 7,8,9 and 10? |
|
|
Oct 11 2013, 01:21 PM
|
![]() ![]() ![]() ![]() ![]() ![]()
Senior Member
1,365 posts Joined: Jun 2009 |
QUOTE(amberglow @ Oct 11 2013, 12:37 PM) Ewwww ... really bad design .. your power sockets are no better than a RM30 extension bar since they all share the same fuse. One blow all blow ... and you have a high chance of overloading unless you are consciously remembering how many devices you are putting on that circuit. This is not my house wiring la. This is from wikipedia just use it to illustrating and asking a question. |
|
|
Oct 11 2013, 01:45 PM
|
![]() ![]() ![]()
Junior Member
383 posts Joined: Jul 2013 |
QUOTE(stevie8 @ Oct 11 2013, 12:35 PM) One more question comes to mind. Look like never ending... You could but its not really the right way to do it for a few reasons.If I get to locate the bunch of wires run up to the first floor and cut them and fix a new DB at the 1st floor, I then need to run a thick cable from the new DB to the main DB at the ground floor right? Question: Instead of pulling a new thick cable (live, neutral and earth), can I twist a few or all of the existing "cut" cables (become a big thick cable) that I cut (for making the new DB) which connect down to the ground floor DB, same twist them together? See drawing below: 1) after cutting the old wires probably be to short by a few inches to go from Main DB to sub-Db. remember you want to cut the upstairs wires from sockets a bit longer so its easy to connect into Sub-DB and you are not trying to stretch wires. 2) joined parallel wires don't really have the same capacity in practice as they do in theory. Also its easy for 1 or 2 wires of a twisted set to come loose from the crew point, then youve got loose wires and reduced capacity and remaining wires are now free to come loose also. 3) It will be very hard to join those several wires into the DB and sub Db. 4) its just plain messy. 5) AFAIK its probably against the wiring rules/codes. 6) the 2-3 mtrs of big wire from sub to main will only cost less than RM50, so its not a bifg cost the only real reason to do what you suggested is to save $ and time inconvenience on hacking and plaster back, but this is easly out voted by reasons 1-5 above. Cheers |
|
|
Oct 11 2013, 02:21 PM
|
![]() ![]() ![]() ![]() ![]() ![]() ![]() ![]()
All Stars
12,019 posts Joined: Jan 2003 |
Add on to that; How sure the existing cables not tap to other place? If it was tapped you risk sending live current to unknown place.
QUOTE(Sydneguy @ Oct 11 2013, 01:45 PM) You could but its not really the right way to do it for a few reasons. 1) after cutting the old wires probably be to short by a few inches to go from Main DB to sub-Db. remember you want to cut the upstairs wires from sockets a bit longer so its easy to connect into Sub-DB and you are not trying to stretch wires. 2) joined parallel wires don't really have the same capacity in practice as they do in theory. Also its easy for 1 or 2 wires of a twisted set to come loose from the crew point, then youve got loose wires and reduced capacity and remaining wires are now free to come loose also. 3) It will be very hard to join those several wires into the DB and sub Db. 4) its just plain messy. 5) AFAIK its probably against the wiring rules/codes. 6) the 2-3 mtrs of big wire from sub to main will only cost less than RM50, so its not a bifg cost the only real reason to do what you suggested is to save $ and time inconvenience on hacking and plaster back, but this is easly out voted by reasons 1-5 above. Cheers |
|
|
Oct 11 2013, 02:53 PM
|
![]() ![]() ![]() ![]() ![]() ![]()
Senior Member
1,365 posts Joined: Jun 2009 |
QUOTE(Sydneguy @ Oct 11 2013, 01:45 PM) You could but its not really the right way to do it for a few reasons. Thanks for the input. You got me, "the only real reason to do what you suggested is to save $ and time inconvenience on hacking and plaster back"1) after cutting the old wires probably be to short by a few inches to go from Main DB to sub-Db. remember you want to cut the upstairs wires from sockets a bit longer so its easy to connect into Sub-DB and you are not trying to stretch wires. 2) joined parallel wires don't really have the same capacity in practice as they do in theory. Also its easy for 1 or 2 wires of a twisted set to come loose from the crew point, then youve got loose wires and reduced capacity and remaining wires are now free to come loose also. 3) It will be very hard to join those several wires into the DB and sub Db. 4) its just plain messy. 5) AFAIK its probably against the wiring rules/codes. 6) the 2-3 mtrs of big wire from sub to main will only cost less than RM50, so its not a bifg cost the only real reason to do what you suggested is to save $ and time inconvenience on hacking and plaster back, but this is easly out voted by reasons 1-5 above. Cheers Anyway, hacking is unavoidable for the installation of sub DB where I need to hack out the cable long enough to get all of them one by one into the MCBs in the sub DB. The problem is to hack thru the slab and beam. I do not want another hole thru the beam which is at the middle of the house, it only weaken the beam. I just need to find two 4mm wires each and twist them together which will support 60A, right? Below is the potential load up-stair: 1 x 2 1/2 hp aircond 2 x 1 hp aircond 1 x iron 5 x fans (not on when use aircond) 30 x downlight, wall light and table lamp. 1 x vacuum cleaner (not use when ironing), my wife cannot be doing 2 things at a time Many power sockets but seldom use other than mentioned above for ironing, vacuuming, also for charging handphone, hair dryer, no water heater (I use solar heater), TV, Audio, PS2 games. Therefore, one 4mm for 32A could be enough, but 2 x 4mm definitely more than enough. Then need to connect 2 x 4mm wire to one 8mm wire to the sub-DB. What do you think if I use lead soldering to join the 2 4mm wire together instead of twisting them together for terminating at the sub-DB and the down stair DB? How good is the lead joint conducting electricity compare to bear copper wire? Cheers |
|
|
Oct 11 2013, 02:57 PM
|
![]() ![]() ![]() ![]() ![]() ![]() ![]() ![]()
All Stars
12,019 posts Joined: Jan 2003 |
QUOTE(stevie8 @ Oct 11 2013, 02:53 PM) Thanks for the input. You got me, "the only real reason to do what you suggested is to save $ and time inconvenience on hacking and plaster back" You old house wiring come with 4mm wiring too?Anyway, hacking is unavoidable for the installation of sub DB where I need to hack out the cable long enough to get all of them one by one into the MCBs in the sub DB. The problem is to hack thru the slab and beam. I do not want another hole thru the beam which is at the middle of the house, it only weaken the beam. I just need to find two 4mm wires each and twist them together which will support 60A, right? Below is the potential load up-stair: 1 x 2 1/2 hp aircond 2 x 1 hp aircond 1 x iron 5 x fans (not on when use aircond) 30 x downlight, wall light and table lamp. 1 x vacuum cleaner (not use when ironing), my wife cannot be doing 2 things at a time Many power sockets but seldom use other than mentioned above for ironing, vacuuming, also for charging handphone, hair dryer, no water heater (I use solar heater), TV, Audio, PS2 games. Therefore, one 4mm for 32A could be enough, but 2 x 4mm definitely more than enough. Then need to connect 2 x 4mm wire to one 8mm wire to the sub-DB. What do you think if I use lead soldering to join the 2 4mm wire together instead of twisting them together for terminating at the sub-DB and the down stair DB? How good is the lead joint conducting electricity compare to bear copper wire? Cheers |
|
|
Oct 11 2013, 03:03 PM
|
![]() ![]() ![]() ![]() ![]() ![]()
Senior Member
1,365 posts Joined: Jun 2009 |
QUOTE(weikee @ Oct 11 2013, 02:21 PM) Add on to that; How sure the existing cables not tap to other place? If it was tapped you risk sending live current to unknown place. hmmm.... thanks, have to be super careful. I think the way to find out is to switch off the MCB how it is linked and double check. |
|
|
Oct 11 2013, 03:05 PM
|
![]() ![]() ![]() ![]() ![]() ![]()
Senior Member
1,365 posts Joined: Jun 2009 |
QUOTE(weikee @ Oct 11 2013, 02:57 PM) Not sure, I did not take notice of the old DB before the reno if there was any 32A MCB. But during reno the electrician could have use 4 mm since he put so many 32A MCBs.This post has been edited by stevie8: Oct 11 2013, 03:06 PM |
|
|
Oct 11 2013, 03:15 PM
|
![]() ![]() ![]() ![]() ![]() ![]()
Senior Member
1,365 posts Joined: Jun 2009 |
QUOTE(weikee @ Oct 11 2013, 02:21 PM) Add on to that; How sure the existing cables not tap to other place? If it was tapped you risk sending live current to unknown place. OK, found it. Of the 32A MCBs, the no. 4,5 and 6 are used only for 1st floor. These could be 4mm wires not shared else where with down stair. |
|
|
Oct 11 2013, 03:48 PM
|
![]() ![]() ![]() ![]() ![]() ![]() ![]() ![]()
All Stars
12,019 posts Joined: Jan 2003 |
QUOTE(stevie8 @ Oct 11 2013, 03:05 PM) Not sure, I did not take notice of the old DB before the reno if there was any 32A MCB. But during reno the electrician could have use 4 mm since he put so many 32A MCBs. Don't assume, need to confirm. Put 32amp some can put 2.5mm because then amps for starting load only. |
|
|
Oct 11 2013, 04:41 PM
|
![]() ![]() ![]()
Junior Member
383 posts Joined: Jul 2013 |
QUOTE(stevie8 @ Oct 11 2013, 02:53 PM) Thanks for the input. You got me, "the only real reason to do what you suggested is to save $ and time inconvenience on hacking and plaster back" Once you pull all the old wires that went upstairs out there will be a big hole in the floor/beam for you to put the new thick wire through , Problem Solved. Anyway, hacking is unavoidable for the installation of sub DB where I need to hack out the cable long enough to get all of them one by one into the MCBs in the sub DB. The problem is to hack thru the slab and beam. I do not want another hole thru the beam which is at the middle of the house, it only weaken the beam. I just need to find two 4mm wires each and twist them together which will support 60A, right? Below is the potential load up-stair: 1 x 2 1/2 hp aircond 2 x 1 hp aircond 1 x iron 5 x fans (not on when use aircond) 30 x downlight, wall light and table lamp. 1 x vacuum cleaner (not use when ironing), my wife cannot be doing 2 things at a time Many power sockets but seldom use other than mentioned above for ironing, vacuuming, also for charging handphone, hair dryer, no water heater (I use solar heater), TV, Audio, PS2 games. Therefore, one 4mm for 32A could be enough, but 2 x 4mm definitely more than enough. Then need to connect 2 x 4mm wire to one 8mm wire to the sub-DB. What do you think if I use lead soldering to join the 2 4mm wire together instead of twisting them together for terminating at the sub-DB and the down stair DB? How good is the lead joint conducting electricity compare to bear copper wire? Cheers |
|
|
Oct 11 2013, 08:40 PM
|
![]() ![]() ![]() ![]() ![]() ![]()
Senior Member
1,365 posts Joined: Jun 2009 |
QUOTE(Sydneguy @ Oct 11 2013, 04:41 PM) Once you pull all the old wires that went upstairs out there will be a big hole in the floor/beam for you to put the new thick wire through , Problem Solved. 1. There are floor tiles at first floor, the hole could have been sealed during tiling. 2. Plaster ceiling at ground ceiling where the cables going thru the beam except that the hole at the beam was not sealed. 3. Then on top of the main DB where the new thick cable coming down from plaster ceiling the wall is concealed with many wires from all over the house, cannot hack but to run externally with plastic casing. 3 obstacles that is why am considering using the existing cables, otherwise, I will not hesitate using one thick cable. Anyway got to consult electrician and plaster ceiling guy and tile This post has been edited by stevie8: Oct 11 2013, 08:42 PM |
|
|
May 9 2016, 01:57 PM
|
![]() ![]()
Junior Member
76 posts Joined: Nov 2005 From: KL |
|
|
|
May 9 2016, 05:43 PM
Show posts by this member only | IPv6 | Post
#64
|
![]() ![]() ![]() ![]() ![]() ![]()
Senior Member
1,083 posts Joined: Jan 2003 From: Kota Kinabalu |
QUOTE(stevie8 @ Oct 9 2013, 02:02 PM) Anyone knows how to size MCB of our home? B, C, D types are for the inrush current.. Domestic uses type BGot B,C,D type and different Amperage. How and what to choose? ![]() Ampere rating are for current overload protection of the cable. Size the amps according to the cabl's current carrying capacity.. Scroll to the btm of the page, the link at the btm.. Read it. Suruhanjaya Tenaga - Guidelines for Electrical Wiring in Residential Building 2008 |
|
|
May 9 2016, 05:55 PM
Show posts by this member only | IPv6 | Post
#65
|
![]() ![]() ![]() ![]() ![]() ![]()
Senior Member
1,083 posts Joined: Jan 2003 From: Kota Kinabalu |
QUOTE(firdaruddin @ May 9 2016, 01:57 PM) Hello. I have a situation where a fuse keep kicking back. The pic of the db is attached. The one that always kicking back is the 20A one. So the question is, can I change the fuse directly or i should change the wire first to 4mm? Is this a new installation and is it a new mcb? Current wire size is 1.5mm. I think. If yes then its probably this circuit is overloaded causing a thermal trip.. Get a clamp ammeter and cheack the load and compare it to the mcb's rating.. If overloaded then remove part of the load to another circuit (If it's more that one load on the circuit) If no (meaning it was working well previously) then listen carefully to this particular mcb.. If you hear small crackling sounds before tripping then replace the mcb. The mcb has pitted contacts, that means the contact area has reduced to the point where it itself causes the thermal overload.. The device is faulty.. You only replace wiring if the insulation is damaged and you test with an insulation tester (Meggar).. Hire an electrician for this.. He has the equipment and competency to use it.. You cannot use a multimeter.. |
|
|
May 9 2016, 06:07 PM
Show posts by this member only | IPv6 | Post
#66
|
![]() ![]() ![]() ![]() ![]() ![]()
Senior Member
1,083 posts Joined: Jan 2003 From: Kota Kinabalu |
QUOTE(Xccess @ Oct 10 2013, 08:23 PM) This picture shows a Three phase Distribution board (DB)..It's protection device ia a 4 pole Residual Current device (the one with the yellow trip button) QUOTE(stevie8 @ Oct 10 2013, 08:47 PM) The RCD is for 3 phases that's 100mA trip per phase.. Whether yours (0.1A) more sensitive depends if you have 3 Phase supply .. meaning is your RCCB 2P or 4P? If 2P then i think it is not more sensitive.. |
|
|
May 9 2016, 10:33 PM
|
![]() ![]()
Junior Member
76 posts Joined: Nov 2005 From: KL |
QUOTE(Richard @ May 9 2016, 05:55 PM) Is this a new installation and is it a new mcb? Hi. It was an old thing. It happened whether i switch on my computer or nothing while I'm not switch anything at all. It kicked back like ikut suka dia. So my plan maybe upgrading the 20A fuse by changing it to 32A fuse. Is it possible the problem will still occur after changing the fuse directly? Also that fuse goes to one 3-pin point and then loop for two more 3 pin point outside the room for washing machine use.If yes then its probably this circuit is overloaded causing a thermal trip.. Get a clamp ammeter and cheack the load and compare it to the mcb's rating.. If overloaded then remove part of the load to another circuit (If it's more that one load on the circuit) If no (meaning it was working well previously) then listen carefully to this particular mcb.. If you hear small crackling sounds before tripping then replace the mcb. The mcb has pitted contacts, that means the contact area has reduced to the point where it itself causes the thermal overload.. The device is faulty.. You only replace wiring if the insulation is damaged and you test with an insulation tester (Meggar).. Hire an electrician for this.. He has the equipment and competency to use it.. You cannot use a multimeter.. |
|
|
May 9 2016, 10:36 PM
|
![]() ![]() ![]() ![]() ![]() ![]() ![]()
Senior Member
5,646 posts Joined: Mar 2012 |
QUOTE(firdaruddin @ May 9 2016, 01:57 PM) Hello. I have a situation where a fuse keep kicking back. The pic of the db is attached. The one that always kicking back is the 20A one. So the question is, can I change the fuse directly or i should change the wire first to 4mm? get a new one. this time dun buy fanban multi9Current wire size is 1.5mm. I think. |
|
|
May 9 2016, 10:38 PM
|
![]() ![]() ![]() ![]() ![]() ![]() ![]()
Senior Member
5,646 posts Joined: Mar 2012 |
QUOTE(firdaruddin @ May 9 2016, 10:33 PM) Hi. It was an old thing. It happened whether i switch on my computer or nothing while I'm not switch anything at all. It kicked back like ikut suka dia. So my plan maybe upgrading the 20A fuse by changing it to 32A fuse. Is it possible the problem will still occur after changing the fuse directly? Also that fuse goes to one 3-pin point and then loop for two more 3 pin point outside the room for washing machine use. the normal washing machine should be fine, as long as you dont use iron and hairdryer all at the same time.as said, most likely its a busted mcb. just change but change to better brand. |
|
|
May 10 2016, 03:16 AM
|
![]() ![]() ![]() ![]() ![]() ![]()
Senior Member
1,083 posts Joined: Jan 2003 From: Kota Kinabalu |
QUOTE(firdaruddin @ May 9 2016, 10:33 PM) Hi. It was an old thing. It happened whether i switch on my computer or nothing while I'm not switch anything at all. It kicked back like ikut suka dia. Firstly, use the correct terms for the components, it helps avoid confusion..A fuse cannot kick back.. It is a fusible link.. It blows (meaning gets hot, melts thus disconnect) when over rated current flows through.. A miniature circuit breaker (mcb) trips (meaning there's a bimetal contact which trips a spring) when over rated current flows .. You replace a fuse.. You reset an mcb (only replace if faulty).. QUOTE(firdaruddin @ May 9 2016, 10:33 PM) So my plan maybe upgrading the 20A fuse by changing it to 32A fuse. Is it possible the problem will still occur after changing the fuse directly? Yes, it is possible.. This is a forum and I'm just giving my opinion. You need an actual competent person to repair it.. (An electrician) However the fuse or mcb function is to protect the wire.. It blows/trips before the wire gets hot.. A 1.5mm wire is rated at 23Amps.. QUOTE(firdaruddin @ May 9 2016, 10:33 PM) A 32A fuse/mcb cannot protect a 1.5mm wire.. The wire will melt and burn anything combustible close to it.. It might burn down your house.. Pls understand your risk.. Hire an electrician if you don't know what I'm talking about.. It will save you more.. QUOTE(firdaruddin @ May 9 2016, 10:33 PM) Also that fuse goes to one 3-pin point and then loop for two more 3 pin point outside the room for washing machine use. ok..Standard domestic wiring regulation requires you use 2.5mm2 or higher size wire for sockets.. When new the metal within the wire is pure .. An older wire oxidizes and its insulation degrades.. It cannot carry rated current and heats up when over current.. Regulation states you must completely rewire after 30 years.. I rewired my house after 20 years.. It's my insurance.. Good luck.. This post has been edited by Richard: May 10 2016, 03:42 AM |
|
|
May 10 2016, 02:12 PM
|
![]() ![]()
Junior Member
76 posts Joined: Nov 2005 From: KL |
Another question. Is there any way for me to determine which wire go to that particular point etc.? I mean if i want to change the whole box with the fuse everything. So that i can reconnect the wire to the box correctly. 1 seperate fuse for a/c etc.
|
|
|
May 10 2016, 10:05 PM
|
![]() ![]() ![]() ![]() ![]() ![]()
Senior Member
1,083 posts Joined: Jan 2003 From: Kota Kinabalu |
QUOTE(firdaruddin @ May 10 2016, 02:12 PM) Another question. Is there any way for me to determine which wire go to that particular point etc.? I mean if i want to change the whole box with the fuse everything. Yes.. Switch off all your miniature circuit breakers (mcb).. Standard wiring mcb's all type B's except motor (if nuisance tripping then use type C or D for higher inrush(start) current) ------------------------------------------------------------------------------------- 6A & 10A are lighting mcb's 16A & 20A are socket/aircon/water heater mcb's 32A are cooker/large freezer/3HP & above motor mcb's - Switch on only one mcb - Visually check which one has power and record on the mcb - Switch off - Repeat next mcb.. QUOTE(firdaruddin @ May 10 2016, 02:12 PM) Seriously..? I myself am certified with ST but i get an electrician to do the work.. For me it's a matter of cost and speed.. I can talk the talk but crawl the walk if you get what I mean.. For you I think it will be an additional safety issue.. Wiring a whole house with 20-40 points is not an amateur DIY.. One point is ok.. Not whole house.. you're crazy to think you can do it.. |
|
|
May 6 2017, 12:38 AM
|
![]() ![]() ![]() ![]() ![]() ![]() ![]()
Senior Member
7,803 posts Joined: Jan 2005 |
I spoke to a friend and it appears that there is more to just the amperage on the MCB vs the amount of current you need to size an MCB. If the amount of current is below the MCB's rating multiplied by the value of its type, there'll no trip. In an overcurrent situation, most likely your electrical/electronic device will get fried (it's gotta be already faulty to draw excessive current) before your wire if you're lucky.
To size it, you'll need to know all the resistance involved (wire, devices, earth loop, inrush current). Not sure how many have the equipment to perform these tests? Anyway, just to share. http://www.studyelectrical.com/2014/07/min...tic-curves.html QUOTE MCBs are classified according to tripping over range of fault current as follows: Type B MCB Type C MCB Type D MCB Type B MCB: This type of MCB trips between 3 and 5 times full load current. Type B devices are mainly used in residential applications or light commercial applications where connected loads are primarily lighting fixtures, domestic appliances with mainly resistive elements. The surge current levels in such cases are relatively low. Type C MCB: This type of MCB trips between 5 and 10 times full load current. This is used in commercial or industrial type of applications where there could be chances of higher values of short circuit currents in the circuit. The connected loads are mainly inductive in nature (e.g. induction motors) or fluorescent lighting. Type D MCB: This type of MCB trips between 10 and 20 times full load current. These MCBs are use in specialty industrial / commercial uses where current inrush can be very high. Examples include transformers or X-ray machines, large winding motors etc. All the above three types of MCBs provide tripping protection within one tenth of a second. http://www.theiet.org/forums/forum/message...&threadid=32143 QUOTE *Standard ranges of instantaneous tripping: Type B - Above 3 In up to and including 5 In Type C - Above 5 In up to and including 10 In Type D - Above 10 In up to and including 20 In* To be classed as a BS EN 60898-1 circuit breaker the following tests must be satisfied (you must remember these are tests carried out in a controlled environment): *Type B A current equal to 3 In is passed through all poles starting from cold. The opening time shall be not less than 0.1 s and not more than: - 45 s for rated currents up to and including 32 A, - 90 s for rated currents above 32 A. A current equal to 5 In is then passed through all poles, again starting from cold. The circuit-breaker shall trip in a time less than 0.1 s. Type C A current equal to 5 In is passed through all poles starting from cold. The opening time shall be not less than 0.1 s and not more than: - 15 s for rated currents up to and including 32 A, - 30 s for rated currents above 32 A. A current equal to 10 In is then passed through all poles, again starting from cold. The circuit-breaker shall trip in a time less than 0.1 s. Type D A current equal to 10 In is passed through all poles starting from cold. The opening time shall be not less than 0.1 s and not more than: - 4 s for rated currents above 10A up to and including 32 A, - 8 s for rated currents up to an including 10 A and above 32 A. A current equal to 20 In is then passed through all poles, again starting from cold. The circuit-breaker shall trip in a time less than 0.1 s.* *Source: BS EN 60898-1:2003+A1:2004 - Circuit Breakers for overcurrent protection for household and similar installations - Part 1: Circuit-breakers for a.c. operation The reason I'm researching this is because I have a neighbor who had his concealed wire shorted permanently, something I'd rather avoid. This post has been edited by beLIEve: May 6 2017, 12:40 AM |
|
|
May 6 2017, 12:15 PM
|
![]() ![]() ![]() ![]() ![]() ![]() ![]()
Senior Member
7,803 posts Joined: Jan 2005 |
Very detailed explanation : http://www.kevinboone.net/cableselection_web.html
|
|
|
May 6 2017, 02:10 PM
|
![]() ![]() ![]() ![]() ![]() ![]() ![]() ![]()
All Stars
12,019 posts Joined: Jan 2003 |
QUOTE(beLIEve @ May 6 2017, 12:38 AM) I spoke to a friend and it appears that there is more to just the amperage on the MCB vs the amount of current you need to size an MCB. If the amount of current is below the MCB's rating multiplied by the value of its type, there'll no trip. In an overcurrent situation, most likely your electrical/electronic device will get fried (it's gotta be already faulty to draw excessive current) before your wire if you're lucky. To avoid that, any long term high current usages better direct from MCB with 4mm2 cables. And reduce tapping for extra points.To size it, you'll need to know all the resistance involved (wire, devices, earth loop, inrush current). Not sure how many have the equipment to perform these tests? Anyway, just to share. http://www.studyelectrical.com/2014/07/min...tic-curves.html http://www.theiet.org/forums/forum/message...&threadid=32143 The reason I'm researching this is because I have a neighbor who had his concealed wire shorted permanently, something I'd rather avoid. |
|
|
May 8 2017, 05:08 AM
|
![]() ![]() ![]() ![]() ![]() ![]() ![]()
Senior Member
7,803 posts Joined: Jan 2005 |
wise words, bro weikee. I think that's why the developer gave 4mm2 wires for room aircond despite room airconds are likely 1HP.
My neighbor's house was rented out. No one really knew how that socket was used as he only got back his house recently. It was looped alright. From MCB to 3 sockets. The last point was the one that fried. I'm installing some new points for my own house. Will be using 4mm2 to minimize the melting problem, regardless of how long I use the current. Price does not differ a lot vs 2.5mm2 when I buy in rolls. The last time I paid for wiring, I was "convinced" that their 1.0mm2 (yes, I read it on the wire several times because I thought I misread it) 3cores is good enough for 2HP aircond. 1 month warranty woh. BTW, I've read a lot of your useful responses here when I was searching for RCCB. Pleased to meet you, finally. Speaking of RCCB, another neighbor insisted that MCB will trip when there is a current leak when I tipped him about the 10mA RCCB for heater. I guess it would, if the leakage goes beyond the MCB rating x Type. This post has been edited by beLIEve: May 8 2017, 05:10 AM |
|
|
May 8 2017, 01:57 PM
|
![]() ![]() ![]() ![]() ![]() ![]() ![]() ![]()
All Stars
12,019 posts Joined: Jan 2003 |
QUOTE(beLIEve @ May 8 2017, 05:08 AM) wise words, bro weikee. I think that's why the developer gave 4mm2 wires for room aircond despite room airconds are likely 1HP. 1mm2 should be ban from using as outlet point. Maybe just a single light point is ok. My neighbor's house was rented out. No one really knew how that socket was used as he only got back his house recently. It was looped alright. From MCB to 3 sockets. The last point was the one that fried. I'm installing some new points for my own house. Will be using 4mm2 to minimize the melting problem, regardless of how long I use the current. Price does not differ a lot vs 2.5mm2 when I buy in rolls. The last time I paid for wiring, I was "convinced" that their 1.0mm2 (yes, I read it on the wire several times because I thought I misread it) 3cores is good enough for 2HP aircond. 1 month warranty woh. BTW, I've read a lot of your useful responses here when I was searching for RCCB. Pleased to meet you, finally. Speaking of RCCB, another neighbor insisted that MCB will trip when there is a current leak when I tipped him about the 10mA RCCB for heater. I guess it would, if the leakage goes beyond the MCB rating x Type. Wires problem usually won't happen so fast. Maybe only 1-2 years after usages. Unless of course it was intended overload. ELCB/RCCB will trip only beyond the threshold level, more sensitive will be more expensive. If you have 10mA RCCB, and DB installed with 30mA. In scenario when leaking say is 15mA, the water heater RCCD will trip but not the DB side RCCD. |
|
|
May 8 2017, 03:53 PM
|
![]() ![]() ![]() ![]() ![]() ![]() ![]()
Senior Member
7,803 posts Joined: Jan 2005 |
That's why he confidently gave 1 month warranty. I always consult my friend before agreeing to all the deals offered by contractors. When problem occurs, can make money pulling new wires again.
Referring to RCCB, yes, after so much research, that's what I learned. Also read that some will trip at 50% of the value. Didn't drill too much into that. Let me ask you this, since you're a 高人. Which is better? 10mA RCCB between MCB and water heater, or MCB between RCCB and water heater? My friend recommended the latter, but I went for the former after some research. It's sort of whether I want the MCB to protect RCCB from potential overcurrent damages, or RCCB to protect MCB from leakages. I'm protecting the RCCB because it's much more expensive. He said RCCB will not break, though I wonder what will happen when 100A flows through a 25A RCCB. |
|
|
May 8 2017, 05:06 PM
|
![]() ![]() ![]() ![]() ![]() ![]() ![]() ![]()
All Stars
12,019 posts Joined: Jan 2003 |
QUOTE(beLIEve @ May 8 2017, 03:53 PM) That's why he confidently gave 1 month warranty. I always consult my friend before agreeing to all the deals offered by contractors. When problem occurs, can make money pulling new wires again. Don't look me so up. I just speak from my general knowledge. Referring to RCCB, yes, after so much research, that's what I learned. Also read that some will trip at 50% of the value. Didn't drill too much into that. Let me ask you this, since you're a 高人. Which is better? 10mA RCCB between MCB and water heater, or MCB between RCCB and water heater? My friend recommended the latter, but I went for the former after some research. It's sort of whether I want the MCB to protect RCCB from potential overcurrent damages, or RCCB to protect MCB from leakages. I'm protecting the RCCB because it's much more expensive. He said RCCB will not break, though I wonder what will happen when 100A flows through a 25A RCCB. If you plan to do "MCB between RCCB and water heater", unless you can identify the water heater neutral wires at the DB box if can't you will not have a balance current and it will always trip. |
|
|
May 8 2017, 09:51 PM
Show posts by this member only | IPv6 | Post
#80
|
![]() ![]() ![]() ![]() ![]() ![]()
Senior Member
1,083 posts Joined: Jan 2003 From: Kota Kinabalu |
QUOTE(beLIEve @ May 8 2017, 03:53 PM) That's why he confidently gave 1 month warranty. I always consult my friend before agreeing to all the deals offered by contractors. When problem occurs, can make money pulling new wires again. You use a water heater for hot water..Referring to RCCB, yes, after so much research, that's what I learned. Also read that some will trip at 50% of the value. Didn't drill too much into that. Let me ask you this, since you're a 高人. Which is better? 10mA RCCB between MCB and water heater, or MCB between RCCB and water heater? My friend recommended the latter, but I went for the former after some research. It's sort of whether I want the MCB to protect RCCB from potential overcurrent damages, or RCCB to protect MCB from leakages. I'm protecting the RCCB because it's much more expensive. He said RCCB will not break, though I wonder what will happen when 100A flows through a 25A RCCB. You use a 10mA RCD to protect your life from electrocution from the water heater.. Why would you value a 10mA RCD higher than life? Edit * Watch this youtube video.. It is good .. https://www.youtube.com/watch?v=A5HuPol99sU I also find it pretty funny .. This post has been edited by Richard: May 8 2017, 09:58 PM |
|
|
May 8 2017, 11:18 PM
|
![]() ![]() ![]() ![]() ![]() ![]() ![]()
Senior Member
7,803 posts Joined: Jan 2005 |
QUOTE(weikee @ May 8 2017, 05:06 PM) Don't look me so up. I just speak from my general knowledge. I'm very short only. That's why have to look up on you If you plan to do "MCB between RCCB and water heater", unless you can identify the water heater neutral wires at the DB box if can't you will not have a balance current and it will always trip. Actually, I thought as long as I add an RCCB, I need to identify the neutral wire no? My original setup based on my friend's advice : Live busbar --- wire --- RCCB Live Top --- RCCB Live Bottom --- MCB Bottom --- MCB Top --- Water Heater Live Water Heater Neutral --- RCCB Neutral Bottom --- RCCB Neutral Top --- Neutral bar New setup : Live busbar --- wire --- MCB bottom --- MCB Top --- RCCB Live Top --- RCCB Live Bottom --- Water Heater Live Water Heater Neutral --- RCCB Neutral Bottom --- RCCB Neutral Top --- Neutral bar Yes I managed to identify the neutral wire. Small apartment, and developer was generous enough to use a 4mm. Only 2 of these. QUOTE(Richard @ May 8 2017, 09:51 PM) Why would you value a 10mA RCD higher than life? Bro, did you misunderstand my posts? Or you see something wrong with my setup having MCB before RCCB?Thanks for your responses. |
|
|
May 10 2017, 12:32 AM
Show posts by this member only | IPv6 | Post
#82
|
![]() ![]() ![]() ![]() ![]() ![]()
Senior Member
1,083 posts Joined: Jan 2003 From: Kota Kinabalu |
QUOTE(beLIEve @ May 8 2017, 11:18 PM) Bro, did you misunderstand my posts? Or you see something wrong with my setup having MCB before RCCB? I might have actually ... when you typed " I'm protecting the RCCB because it's much more expensive." ..Thanks for your responses. My mistake.. Your setup is a standard arrangement i.e. The RCCB (or RCD) doing the protection of life, while the MCB protection for the property (cable, RCD & load).. It's good.. |
|
|
May 10 2017, 12:42 AM
|
![]() ![]() ![]() ![]() ![]() ![]() ![]()
Senior Member
7,803 posts Joined: Jan 2005 |
thanks bro Richard
|
|
|
May 10 2017, 03:06 PM
|
![]() ![]() ![]() ![]() ![]() ![]() ![]()
Senior Member
7,803 posts Joined: Jan 2005 |
Back to the original topic.
Anyone here use MCB Type B at home? Seems like everyone is using Type C, but of course, most were probably installed by developers. Forgotten to find out if Pasar Road is selling Type B. The last time I bought, I didn't know the existence of Types B C D, they just gave me a Type C. |
|
|
May 10 2017, 07:52 PM
|
![]() ![]() ![]() ![]() ![]() ![]()
Senior Member
1,083 posts Joined: Jan 2003 From: Kota Kinabalu |
QUOTE(beLIEve @ May 10 2017, 03:06 PM) Back to the original topic. I only experience seeing type C in the market..Anyone here use MCB Type B at home? Seems like everyone is using Type C, but of course, most were probably installed by developers. Forgotten to find out if Pasar Road is selling Type B. The last time I bought, I didn't know the existence of Types B C D, they just gave me a Type C. Physically the difference is nominal (I.e. in name only), as it deals with the breaking capacity of the breaker.. thus the physical characteristics of the spring.. you would need a department like SIRIM to be able to tell the difference.. You and me, we take and accept what is available.. |
|
|
May 11 2017, 02:26 AM
|
![]() ![]() ![]() ![]() ![]() ![]() ![]()
Senior Member
7,803 posts Joined: Jan 2005 |
hmmmm that's where my concern is. Or probably it's unwarranted.
Type C will only trip at 5x its rated current. If my understanding is correct, there'll be no trips below 5x. On a 20A Type C MCB, it means that 99.9999A can flow through the cable without it tripping. If it heats up the cables long enough, fire or short circuit. Of course, knowledgeable people know not to overload any particular circuit, but we can't stop anyone from doing so. This was the reason why my friend said there's no point protecting the RCCB with an MCB. I guess there's no harm trying though QUOTE(Richard @ May 10 2017, 07:52 PM) You and me, we take and accept what is available.. I don't think I've much choice. Seems like it's our norm in this country to compromise safety for convenience. When I goto shops for 10mA-30mA RCCB, they'll always tell me "don't buy this, always trip". I guess the same applies to MCB, so no Type B for the wicked. |
|
|
May 11 2017, 09:07 AM
|
![]() ![]() ![]() ![]() ![]() ![]() ![]() ![]()
All Stars
12,019 posts Joined: Jan 2003 |
QUOTE(beLIEve @ May 11 2017, 02:26 AM) hmmmm that's where my concern is. Or probably it's unwarranted. Some of the rare or hard to find items, i usually pay a bit more and buy at element14, The B curved should be available thereType C will only trip at 5x its rated current. If my understanding is correct, there'll be no trips below 5x. On a 20A Type C MCB, it means that 99.9999A can flow through the cable without it tripping. If it heats up the cables long enough, fire or short circuit. Of course, knowledgeable people know not to overload any particular circuit, but we can't stop anyone from doing so. This was the reason why my friend said there's no point protecting the RCCB with an MCB. I guess there's no harm trying though I don't think I've much choice. Seems like it's our norm in this country to compromise safety for convenience. When I goto shops for 10mA-30mA RCCB, they'll always tell me "don't buy this, always trip". I guess the same applies to MCB, so no Type B for the wicked. http://my.element14.com/abb/s201mb16/mcb-1...urve/dp/1775068 |
|
|
May 11 2017, 10:49 AM
|
![]() ![]() ![]() ![]() ![]() ![]() ![]()
Senior Member
7,803 posts Joined: Jan 2005 |
Thanks bro weikee.
Yes, I found it there and my friend is using element14 exactly as you - for rare items. These are made in Europe too http://my.rs-online.com/web/c/automation-c...archTerm=S201b2 seems cheaper than element14. I don't know who will do the customs clearance and not sure if SIRIM approval is needed. Edit : Ok, my friend say all the clearance will be handled by element14. This post has been edited by beLIEve: May 11 2017, 12:13 PM |
|
|
May 11 2017, 12:59 PM
Show posts by this member only | IPv6 | Post
#89
|
![]() ![]() ![]() ![]() ![]() ![]()
Senior Member
1,083 posts Joined: Jan 2003 From: Kota Kinabalu |
QUOTE(beLIEve @ May 11 2017, 02:26 AM) hmmmm that's where my concern is. Or probably it's unwarranted. Correction..Type C will only trip at 5x its rated current. If my understanding is correct, there'll be no trips below 5x. On a 20A Type C MCB, it means that 99.9999A can flow through the cable without it tripping. If it heats up the cables long enough, fire or short circuit. Of course, knowledgeable people know not to overload any particular circuit, but we can't stop anyone from doing so. This was the reason why my friend said there's no point protecting the RCCB with an MCB. I guess there's no harm trying though I don't think I've much choice. Seems like it's our norm in this country to compromise safety for convenience. When I goto shops for 10mA-30mA RCCB, they'll always tell me "don't buy this, always trip". I guess the same applies to MCB, so no Type B for the wicked. On a 20A Type C MCB, Once there is an overload current meaning more than 20A the breaker will trip .. There's a coil within which pulls in a metal piece (an electromagnet) which trips out the breaker.. Type B, C and D only refers to the inrush current .. produced by inductive lighting and motors.. The 5x is a transient (momentary or short time only) current during the start to enable starting torque(of a motor) or to jump a spark (of lights).. Once the motor is running or the lamp is lit, the current goes back to rated normal.. A continuous flow of overload current (beyond 20A) will heat up a secondary part of the breaker (a bimetal strip).. Your friend is misinformed .. A MCB protects against an overload (both magnetic and thermal type), a RCD protects against leakage current (below the rated) but will kill a person.. You need both devices in your DB, one to protect property, the other to protect life.. It is a mandatory (MUST HAVE) requirement.. For the secondary RCD at the water heater I believe it is only recommended not yet enforced by our Suruhanjaya Tenaga.. If you read the news then you know that people have died due to faulty electric water heaters .. 50mA AC Voltage over 5 secs will kill a fully grown 60kG human male.. You can google, read it up or ask any medically trained person.. The symptom is similar to a heart attack with burns at the contact areas.. Edit* If the device keeps tripping then there is a leakage current, dirty equipment in a high humidity environment is the usual cause... The dust settles on the live or Neutral wire and when wet will leak to a conductive cover tripping out the RCD.. You need to clean the electrical devices.. Wet dust can conduct electricity.. Edit** Correction For the secondary 10mA trip RCD at the water heater.. It is a mandatory requirement by Suruhanjaya Tenaga.. This post has been edited by Richard: May 20 2017, 08:43 AM |
|
|
May 11 2017, 02:15 PM
|
![]() ![]() ![]() ![]() ![]() ![]() ![]() ![]()
All Stars
12,019 posts Joined: Jan 2003 |
QUOTE(beLIEve @ May 11 2017, 10:49 AM) Thanks bro weikee. Some items selling in element14 is not expensive. I got the velcro tape same price as Ace, and they have stock. 7AH Battery RM 63+ and i can at least sure the quality are better. Raspberry Pi + Camera much cheaper than outside price.Yes, I found it there and my friend is using element14 exactly as you - for rare items. These are made in Europe too http://my.rs-online.com/web/c/automation-c...archTerm=S201b2 seems cheaper than element14. I don't know who will do the customs clearance and not sure if SIRIM approval is needed. Edit : Ok, my friend say all the clearance will be handled by element14. |
|
|
May 12 2017, 02:33 AM
|
![]() ![]() ![]() ![]() ![]() ![]() ![]()
Senior Member
7,803 posts Joined: Jan 2005 |
QUOTE A continuous flow of overload current (beyond 20A) will heat up a secondary part of the breaker (a bimetal strip).. Thanks bro Richard. You just answered my question! I did some further research based on your answer and found out that it's available on Wikipedia. All other sites just explain the magnetic trigger, which is 5x-10x the rating for our Type C. That explains the line curve to the left of the 5x-10x "rectangle". This also explained what I observed with my neighbor's MCB. When I first reset the MCB that goes to the faulty line, it took a few seconds to trip. Subsequent resets are almost instant. So it's the thermal effect - it hadn't cool down. I disconnected the faulty link which is last in the loop and no more trips. There was already a partially (say, 10%) melted plug when he got back the house, so I think it's beyond dirt. Not within my skill to fix that For the RCD, yes, I've searched and read before, just for reading pleasure. I tumpang my friend to buy the 10mA and 30mA RCCBs when he bought his before all the readings. So my house is fully secured, at least, to what is within my knowledge. I'm still using a stack of Type 2 MCBs from the developers though, need to research how much they differ with Type C. I briefly read the other day, Type 2 is old standard. My friend got everything right minus the thermal tripping part. He was the one who told me about the 10mA and 30mA RCCB. So yes, it's not enforced yet. By the time it gets enforced, there'll be a shortage in supplies And yes, ventricular fibrillation. QUOTE The dust settles on the live or Neutral wire and when wet will leak to a conductive cover tripping out the RCD.. Thanks for the tips. Long story short, my old 100mA used to trip on lightnings while neighbors' houses aren't. Now the new Hager 30mA (I use as main RCCB) survived many lightnings. It tripped once without lightning. At that time, only the fridge and fan is running (2 different circuits). So I think I'll have to clean some wires. I noticed many of my wires have paints on them. Contractors must've painted before they install the sockets. We're the second owner, apartment is 20 years old now. bro weikee : Ahhhh ok, thanks for the info. I just briefly browsed that site. Friend told me there are wires better than Mega. So I just searched for the wires, for the sake of knowing, and the MCBs. Both are much more expensive than Pasar Road. I'll check out element14 next time. This post has been edited by beLIEve: May 12 2017, 02:41 AM |
|
|
May 19 2017, 10:04 PM
|
![]()
Junior Member
6 posts Joined: Aug 2010 |
1 aircond draw 3.91 Amp, and we know 2.5mm cable can safely carry current up to 15Amp, so can i install 2 aircond using same cable?
|
|
|
Jul 1 2018, 08:48 PM
|
![]() ![]()
Junior Member
121 posts Joined: Nov 2017 |
Hi guys, have some questions due to disagreement with my electrician:
1) I asked to put 10mA 63A RCD for water heater + electric water closet + 2 power socket but he said it's better to do 1-to-1, meaning 1 RCD for 1 water heater instead, which does not make sense to me. Is 10mA too sensitive to be practical for what i am planning to use for? If not, i am planning to use only single 10mA RCD for 2 bathrooms lol. 2) He asked me to only use 1 RCD for all the lighting, fans and power sockets for the whole second floor, which i disagree with because it would mean total blackout when it trips. 3) I have asked for 30mA RCD for the lighting, fans and power sockets but he said to use 100mA RCD, which i again disagree with as anything over 30mA would be meaningless as it would greatly increase the fatality rate. Having said that, i am concerned with nuisance tripping so would like to ask if there is anyone who changed 30mA for the house and 10mA for the water heater and experienced constant nuisance tripping? 4) Is it wise to use 30mA RCD for aircon? Or should i use 100mA or higher? Heard inverter aircon often causes nuisance tripping. But seems like no point when we go over 30mA. Thanks! |
|
|
Jul 1 2018, 09:39 PM
Show posts by this member only | IPv6 | Post
#94
|
![]() ![]() ![]() ![]() ![]() ![]() ![]()
Senior Member
6,914 posts Joined: Apr 2007 |
QUOTE(Cyberbullies @ Jul 1 2018, 08:48 PM) Hi guys, have some questions due to disagreement with my electrician: 1. your electrition is right. 1) I asked to put 10mA 63A RCD for water heater + electric water closet + 2 power socket but he said it's better to do 1-to-1, meaning 1 RCD for 1 water heater instead, which does not make sense to me. Is 10mA too sensitive to be practical for what i am planning to use for? If not, i am planning to use only single 10mA RCD for 2 bathrooms lol. 2) He asked me to only use 1 RCD for all the lighting, fans and power sockets for the whole second floor, which i disagree with because it would mean total blackout when it trips. 3) I have asked for 30mA RCD for the lighting, fans and power sockets but he said to use 100mA RCD, which i again disagree with as anything over 30mA would be meaningless as it would greatly increase the fatality rate. Having said that, i am concerned with nuisance tripping so would like to ask if there is anyone who changed 30mA for the house and 10mA for the water heater and experienced constant nuisance tripping? 4) Is it wise to use 30mA RCD for aircon? Or should i use 100mA or higher? Heard inverter aircon often causes nuisance tripping. But seems like no point when we go over 30mA. Thanks! 2. that's up to you. 3. if you use 30 you will need more RCD than 2. don't worry about nuisance tripping for water heater. for house you can get those with high immunity and protected by SPD. 4. same as 3. |
|
|
Jul 1 2018, 09:40 PM
Show posts by this member only | IPv6 | Post
#95
|
![]() ![]() ![]() ![]() ![]() ![]() ![]()
Senior Member
6,914 posts Joined: Apr 2007 |
|
|
|
Jul 2 2018, 12:08 PM
Show posts by this member only | IPv6 | Post
#96
|
![]() ![]() ![]() ![]() ![]() ![]()
Senior Member
1,083 posts Joined: Jan 2003 From: Kota Kinabalu |
QUOTE(slimey @ Jul 1 2018, 09:40 PM) No. An Aircon compressor motor starts/stops multiple times acting on thermostat sensorThe starting amps will be 6x or higher and will burn out the mcb or connectors contacts. There will be arc damages initially slowly continuosly damaging the contacts and burn. Any 4 Ampere Aircon compressor motor must have a dedicated circuit protected by a 20A mcb. Only a single 1hp Aircon to one circuit. No more. |
|
|
Jul 9 2018, 01:00 AM
|
![]() ![]()
Junior Member
121 posts Joined: Nov 2017 |
QUOTE(slimey @ Jul 1 2018, 09:39 PM) 1. your electrition is right. 2. that's up to you. 3. if you use 30 you will need more RCD than 2. don't worry about nuisance tripping for water heater. for house you can get those with high immunity and protected by SPD. 4. same as 3. QUOTE(Richard @ Jul 2 2018, 12:08 PM) No. An Aircon compressor motor starts/stops multiple times acting on thermostat sensor Dear sifus, is it weird that both Hager and Schneider do not have RCCB type A for 10mA or even 10mA RCBO with 20A or 25A rating?The starting amps will be 6x or higher and will burn out the mcb or connectors contacts. There will be arc damages initially slowly continuosly damaging the contacts and burn. Any 4 Ampere Aircon compressor motor must have a dedicated circuit protected by a 20A mcb. Only a single 1hp Aircon to one circuit. No more. Reason being is that some water heaters come with pump (mine does), so naturally the RCCB has to be type A (protects against pulsating DC current) instead of type AC isn't it? And then there's the issue of RCBO being 16A, which barely exceeds the max wattage of some water heater. I know water heater does not usually run at full load but i am not willing to buy one to test if it will trip and end up not being able to use it. Maxguard does produce type A for 10mA RCCB and 10mA 20A for RCBO but mixing with Hager MCB is a no no for me. Plus Hager has better build with better anti-nuisance features. Also what SPD do you guys recommend? Type 2 that is installed after the main switch? Mine is a single phase DB. For Hager, there is this medium protection, fine protection, with reserve, without reserve and monobloc series, don't even know how to decide lol. Installing SPD to reduce nuisance tripping during lightning as i will be using majority 30mA for sockets/lighting. Lastly, is isolator needed and how does one arrange the DB sequence? And should RCCB be installed first before MCB or vice versa? Sockets>RCCB>MCB? Thanks in advance. This post has been edited by Cyberbullies: Jul 9 2018, 01:02 AM |
|
|
Oct 17 2018, 09:40 AM
|
![]() ![]()
Junior Member
51 posts Joined: May 2012 |
Hello, I have read through few threads including this thread, I have some questions on RCCB for water heater. My house is using 3-phase power, and currently I have 2x 4-pole RCCB (100mA & 30mA) installed in my DB. Let's say I want to install additional 10mA RCCB for each water heater that I have, what type of RCCB to be used? 2-pole? How will be the wiring diagram looks nice? Appreciate your kind advise, TIA.
|
|
|
Oct 17 2018, 09:58 AM
|
![]() ![]() ![]() ![]() ![]() ![]() ![]()
Senior Member
6,914 posts Joined: Apr 2007 |
QUOTE(FrankieSiow @ Oct 17 2018, 09:40 AM) Hello, I have read through few threads including this thread, I have some questions on RCCB for water heater. My house is using 3-phase power, and currently I have 2x 4-pole RCCB (100mA & 30mA) installed in my DB. Let's say I want to install additional 10mA RCCB for each water heater that I have, what type of RCCB to be used? 2-pole? How will be the wiring diagram looks nice? Appreciate your kind advise, TIA. Your water heater runs on single phase right? Then 2 pole it is. You need to find out which mcb is for the heater currently, and which neutral wire it is using if you plan to install it at the distribution box. If too much hassle doing that, just install a 4 way distribution box next to the water heater switch with a single rcd, 20amp, 10ma tripping value. Wiring diagram is on the rcd. |
|
|
Oct 17 2018, 10:24 AM
|
![]() ![]()
Junior Member
51 posts Joined: May 2012 |
QUOTE(slimey @ Oct 17 2018, 09:58 AM) Your water heater runs on single phase right? Then 2 pole it is. Thank you for your slimey prompt response. I understand based on what you explained just now. Could you also enlighten me on questions below?You need to find out which mcb is for the heater currently, and which neutral wire it is using if you plan to install it at the distribution box. If too much hassle doing that, just install a 4 way distribution box next to the water heater switch with a single rcd, 20amp, 10ma tripping value. Wiring diagram is on the rcd. 1) If I have extra space in DB and I choose to install the RCD at DB, will it be less effective compared to RCD nearer to water heater? 2) If I have to install at nearer to water heater, the RCD should be installed before the 20A switch as per sequence below? (Main RCD (30Amp) - Water Heater MCB- RCD(10Amp)-20A Switch-Water Heater Power Inlet) 3) I found Hager 2 Pole RCD only has 16A and 25A rating with 10mA tripping value, which one should I get for my 20A water heater? (See attached photo) Cheers! This post has been edited by FrankieSiow: Oct 17 2018, 10:57 AM Attached thumbnail(s) |
|
|
Oct 17 2018, 01:18 PM
Show posts by this member only | IPv6 | Post
#101
|
![]() ![]() ![]() ![]() ![]() ![]() ![]()
Senior Member
6,914 posts Joined: Apr 2007 |
QUOTE(FrankieSiow @ Oct 17 2018, 10:24 AM) Thank you for your slimey prompt response. I understand based on what you explained just now. Could you also enlighten me on questions below? 1. Negligible difference. But if the neutral to the water heater switch is shared with other stuff then it is rather troublesome or inconvenient. Either need to pull new neutral line or if not the rcd trip will cause other stuff shared on the neutral line to trip together. 1) If I have extra space in DB and I choose to install the RCD at DB, will it be less effective compared to RCD nearer to water heater? 2) If I have to install at nearer to water heater, the RCD should be installed before the 20A switch as per sequence below? (Main RCD (30Amp) - Water Heater MCB- RCD(10Amp)-20A Switch-Water Heater Power Inlet) 3) I found Hager 2 Pole RCD only has 16A and 25A rating with 10mA tripping value, which one should I get for my 20A water heater? (See attached photo) Cheers! 2. No real difference before or after. 3. Erm....check the wire size going into the water heater. If less than 4mmsq do not use 25a unless it is already protected by a 20a mcb in the distribution board. 16a i think will trip if use full power of water heater. |
|
|
Oct 17 2018, 01:36 PM
|
![]() ![]()
Junior Member
51 posts Joined: May 2012 |
QUOTE(slimey @ Oct 17 2018, 01:18 PM) 1. Negligible difference. But if the neutral to the water heater switch is shared with other stuff then it is rather troublesome or inconvenient. Either need to pull new neutral line or if not the rcd trip will cause other stuff shared on the neutral line to trip together. Really thanks for your explanation. I understand the whole concept already. I will discuss this with my electrician on this matter. 2. No real difference before or after. 3. Erm....check the wire size going into the water heater. If less than 4mmsq do not use 25a unless it is already protected by a 20a mcb in the distribution board. 16a i think will trip if use full power of water heater. |
|
|
Oct 17 2018, 01:39 PM
Show posts by this member only | IPv6 | Post
#103
|
![]() ![]() ![]() ![]() ![]() ![]() ![]()
Senior Member
6,914 posts Joined: Apr 2007 |
QUOTE(FrankieSiow @ Oct 17 2018, 01:36 PM) Really thanks for your explanation. I understand the whole concept already. I will discuss this with my electrician on this matter. To add on. If trip the neutral without tripping the live of the appliance that share the neutral is dangerous. All the neutral that share it will actually become live which is more dangerous than before. And since you have 3 phase electric supply , kaboom if different phase mix into neutral line which lost the link to the main neutral link. This post has been edited by slimey: Oct 17 2018, 01:43 PM |
|
|
Oct 17 2018, 02:05 PM
|
![]() ![]()
Junior Member
51 posts Joined: May 2012 |
QUOTE(slimey @ Oct 17 2018, 01:39 PM) To add on. If trip the neutral without tripping the live of the appliance that share the neutral is dangerous. Duly noted Sir! All the neutral that share it will actually become live which is more dangerous than before. And since you have 3 phase electric supply , kaboom if different phase mix into neutral line which lost the link to the main neutral link. |
|
|
Jan 17 2019, 01:10 PM
|
![]()
Junior Member
7 posts Joined: Nov 2015 |
QUOTE(stevie8 @ Oct 9 2013, 10:32 PM) My house MCB most of it harden already, stuck, so difficult to pull down or push up. My electrician advised me to change all even though some are still good. And he suggested all change to 32A. I have 10, 20 and 32A. I am worry about his advice to change all to 32a and if the cable/wire can take load and what is the danger of doing so. please report to ST about this action from your electrician...It is time to get some advice from others like you and be sure and if I can diy or just let him do it. See picture of my DB and the 3 types of MCB. https://aduan.st.gov.my mcb need calculation before installation... it depends your load and cable size selection... purpose for the mcb is safety... overload and shock... please do not consult the decision if you not confident with your electrician... it might kill you.. safy first |
|
|
Jan 17 2019, 01:59 PM
|
![]() ![]() ![]() ![]() ![]()
Senior Member
960 posts Joined: Jan 2003 |
32A not suitable for residence, unless for known high power electrical device 20A for aircond (max 2 HP im not sure bout this) / water heater 16A for plug 10A for light n fan ( I may be wrong, but it is close, however c32 really not fit) 32A mayb hardly trip if anything happen. example using 16A, if the device overload more than 16A, it will trip for safety. but if using 32A, it won;t trip and perhaps situation may gone bad like Device explode or fire. This post has been edited by IceBikers: Jan 17 2019, 10:26 PM Moogle Stiltzkin liked this post
|
|
|
Mar 22 2020, 11:07 PM
|
![]() ![]()
Junior Member
56 posts Joined: Jan 2017 |
Any experience and trustable electrical technician? One of water heater breaker trip? My house in Puchong.
Please PM me if you have any recommendation. |
|
|
Dec 31 2020, 04:50 PM
|
![]()
Junior Member
7 posts Joined: Nov 2015 |
QUOTE(weikee @ Oct 9 2013, 10:54 PM) Your electrician want you to change house is it? All 32Amp, if wires are 1.5mm, use until wires burn the MCB won't trip. Usually they will put 20A for socket, and some will use 32A for a/c and heater, but 20A is good enough because 2.5mm can't supply 32A load for long period, and now a/c don't have such high spike. please report this technician to https://www.st.gov.my/Light, use back 6A or 10A. Best check the old MCB, and do direct replace. https://www.st.gov.my/en/microsites/index/4/8 this technician not follow IEC |
|
|
Dec 31 2020, 05:03 PM
|
![]() ![]() ![]() ![]() ![]() ![]()
Senior Member
1,448 posts Joined: Oct 2019 |
QUOTE(dv7.sun @ Dec 31 2020, 05:50 PM) please report this technician to https://www.st.gov.my/ yes...https://www.st.gov.my/en/microsites/index/4/8 this technician not follow IEC i have seen too many electrician screwing up your house with wrong replacement devices and wrong advise... just read and follow ST recommendations is best and advise by K experts here ... ceo684 liked this post
|
|
|
Dec 31 2020, 11:07 PM
|
![]() ![]()
Junior Member
63 posts Joined: Apr 2005 |
QUOTE(beLIEve @ May 11 2017, 02:26 AM) hmmmm that's where my concern is. Or probably it's unwarranted. When you go to the shop to buy the 10mA to 30mA RCCB, this is designed for water heater. A single jolt of up to 50mA can actually kill us when there's a leakage from the water heater. When the 10mA or 30mA trip, it's designed to check for residual current so that anything over 10mA / 30mA will trip it to save your life. Type C will only trip at 5x its rated current. If my understanding is correct, there'll be no trips below 5x. On a 20A Type C MCB, it means that 99.9999A can flow through the cable without it tripping. If it heats up the cables long enough, fire or short circuit. Of course, knowledgeable people know not to overload any particular circuit, but we can't stop anyone from doing so. This was the reason why my friend said there's no point protecting the RCCB with an MCB. I guess there's no harm trying though I don't think I've much choice. Seems like it's our norm in this country to compromise safety for convenience. When I goto shops for 10mA-30mA RCCB, they'll always tell me "don't buy this, always trip". I guess the same applies to MCB, so no Type B for the wicked. Hence why only 10mA will be used for heater in case of water heater leakage. Mind you, installing a good RCCB would not save you if your house grounding wire is not good. You must remove the grounding cable from the electrode / grounding rod and test to get less than 10 ohm. This is dictated by ST. Less or equal to zero is the best and this is done for factories. This can be tested with a grounding meter. Please make sure to connect the cable back to grounding rod after opening it. Also, grounding cable must be at least 10mm cable or best is 16mm cable. Why this is needed to be this thick is because the grounding cable will have lower resistance and all voltage when hits your house during a lightning will travel via this cable to the grounding rod to be absorbed by earth. If you have a 1.5mm or 2.5mm or even 4mm, it will not work as good as a 10mm cable as the resistance is high thus the voltage will not use it as the main cable to travel to earth and will flow elsewhere into your house circuit. A lot of people don't understand and says that this will trip easily is because they do not know what it's designed for. If your house grounding is good and the 10mA RCCB trips, means there's issue with the circuit and require your attention. Either there's a lightning strike or the cable been damaged by mouse etc. You have to test the cables to make sure it's good. For house, the main RCCB should be at 100mA. Not 300mA. Those electrician who tells you your house need a 300mA, you better ask them to go and fly kite. 100mA is the maximum dictated by ST. Best is 30mA but it will always trip if there's lightning but if you have a 65kV Surge Arrestor installed, you should be alright without any RCCB trip cause the surge arrestor will absorb the voltage from the lightning. 45k is around RM500 plus. 65kV is around RM1000. Go figure. Buy only good MCB or RCCB with Sirim. There's a lot of fakes out there. EPS is low cost range. Buy Hager / Schneider. Hager is around RM8 for a MCB while Schneider is around RM 13 each. More expensive means it's more sensitive. EPS only cost RM4 dollars. I won't put my life in danger by using a MCB costing dollars.... This post has been edited by kirlcheah: Dec 31 2020, 11:09 PM Moogle Stiltzkin, maxguy, and 1 other liked this post
|
|
|
Jan 1 2021, 08:44 AM
Show posts by this member only | IPv6 | Post
#111
|
![]() ![]() ![]() ![]() ![]() ![]() ![]()
Senior Member
7,803 posts Joined: Jan 2005 |
QUOTE(kirlcheah @ Dec 31 2020, 11:07 PM) Best is 30mA but it will always trip if there's lightning but if you have a 65kV Surge Arrestor installed, you should be alright without any RCCB trip cause the surge arrestor will absorb the voltage from the lightning. 45k is around RM500 plus. 65kV is around RM1000. Go figure. Buy only good MCB or RCCB with Sirim. There's a lot of fakes out there. EPS is low cost range. Buy Hager / Schneider. Hager is around RM8 for a MCB while Schneider is around RM 13 each. More expensive means it's more sensitive. EPS only cost RM4 dollars. I won't put my life in danger by using a MCB costing dollars.... My Hager 30mA never trip on lightning, without arrestors. Perhaps a good brand makes a difference? Besides, shouldn't an RCCB trip on Amp leak rather than Voltage surge?Sometimes don't get to choose. Most people rely on contractors. |
|
|
Jan 1 2021, 10:56 PM
Show posts by this member only | IPv6 | Post
#112
|
![]() ![]() ![]() ![]() ![]() ![]() ![]() ![]()
All Stars
11,667 posts Joined: Jan 2003 From: Klang/Subang |
QUOTE(kirlcheah @ Dec 31 2020, 11:07 PM) When you go to the shop to buy the 10mA to 30mA RCCB, this is designed for water heater. A single jolt of up to 50mA can actually kill us when there's a leakage from the water heater. When the 10mA or 30mA trip, it's designed to check for residual current so that anything over 10mA / 30mA will trip it to save your life. RCD doesn't need earth to operate. 10A in must have >9.97A out for a 30mA RCD.Hence why only 10mA will be used for heater in case of water heater leakage. Mind you, installing a good RCCB would not save you if your house grounding wire is not good. You must remove the grounding cable from the electrode / grounding rod and test to get less than 10 ohm. This is dictated by ST. Less or equal to zero is the best and this is done for factories. This can be tested with a grounding meter. Please make sure to connect the cable back to grounding rod after opening it. Also, grounding cable must be at least 10mm cable or best is 16mm cable. Why this is needed to be this thick is because the grounding cable will have lower resistance and all voltage when hits your house during a lightning will travel via this cable to the grounding rod to be absorbed by earth. If you have a 1.5mm or 2.5mm or even 4mm, it will not work as good as a 10mm cable as the resistance is high thus the voltage will not use it as the main cable to travel to earth and will flow elsewhere into your house circuit. A lot of people don't understand and says that this will trip easily is because they do not know what it's designed for. If your house grounding is good and the 10mA RCCB trips, means there's issue with the circuit and require your attention. Either there's a lightning strike or the cable been damaged by mouse etc. You have to test the cables to make sure it's good. For house, the main RCCB should be at 100mA. Not 300mA. Those electrician who tells you your house need a 300mA, you better ask them to go and fly kite. 100mA is the maximum dictated by ST. Best is 30mA but it will always trip if there's lightning but if you have a 65kV Surge Arrestor installed, you should be alright without any RCCB trip cause the surge arrestor will absorb the voltage from the lightning. 45k is around RM500 plus. 65kV is around RM1000. Go figure. Buy only good MCB or RCCB with Sirim. There's a lot of fakes out there. EPS is low cost range. Buy Hager / Schneider. Hager is around RM8 for a MCB while Schneider is around RM 13 each. More expensive means it's more sensitive. EPS only cost RM4 dollars. I won't put my life in danger by using a MCB costing dollars.... ELCB needs earth to operate. This is why it has gone to the dinosaur age because a lousy ground will render ELCB useless. MCB wise I don't trust those ciplak brand MCB etc. There are a lot out there. Commonly available top-tier brands in MY are ABB Hager Schneider for around RM8 each (shopee online from electrical supply shop). I've a whole bag of Himel crap that the developer installed in my new apartment and I ripped whole thing out and replaced with metal DB box + top tier internals. Generally when top tier MCB is available for RM8 ea.. there is no point in buying crap for half the price. Most MCB are made in China even from top tier places. In angmoh countries.. B curve MCB is used typically as the general use MCB (resistive loads such as water heater), C curve is for bigger induction load (special use/motors). Yes there's D curve (extreme heavy use for factory with huge motor). Here general use is C curve RCD wise 10mA for WH will not work well with shared neutral. Too much "interference with other circuit neutrals" (assume the faux electrician from previous owner time using shared neutral for WH) there. Whole hse using 30mA so its not leaking improperly. When I connect the WH in DOL (direct online) mode with my own 3 direct cables it works perfectly. For top tier brands some are still made in EU (France/Italy/Bulgaria). For house use follow the angmoh countries..just use 30mA for whole house main RCD will give complete protection for each and any circuit downstream as 30mA will not kill you. School requirement is 30mA in case student poke pens or pencils inside the SSO. Above 50mA, a leakage of 100mA or 300mA also doesnt matter, both also end up in coffin. My personal opinion is that here our ST spec too "outdated for life preservation w.r.t. whole house RCD" as the risk is still the same whether u are using lights (change bulb) or 13A SSO (plug unplug stuff) whereby they use 100mA for lights and 30mA for 13A SSO 30mA RCD does not always trip - only during severe thunderstorm. I replaced my main RCD last year (2020) with a 2019 made 30mA RCD from ABB (got anti-nuisance trip) - actually the new one (even being 30mA) trips less during thunderstorms than the 1995 era 300mA which is only suitable for commercial/light industry usage. This post has been edited by ceo684: Jan 1 2021, 11:16 PM Moogle Stiltzkin and maxguy liked this post
|
|
|
Jan 1 2021, 11:04 PM
Show posts by this member only | IPv6 | Post
#113
|
![]() ![]() ![]() ![]() ![]() ![]() ![]() ![]()
All Stars
11,667 posts Joined: Jan 2003 From: Klang/Subang |
QUOTE(beLIEve @ Jan 1 2021, 08:44 AM) My Hager 30mA never trip on lightning, without arrestors. Perhaps a good brand makes a difference? Besides, shouldn't an RCCB trip on Amp leak rather than Voltage surge? RCD/RCCB is measuring current delta (difference between in and out).Sometimes don't get to choose. Most people rely on contractors. Voltage doesn't cause it to trip. The current IN on live must equal the current OUT up to the specified delta allowed (10mA or 30mA or 100mA or 300mA). Not good to have >30mA for residential application if you value your life. 100/300mA only for commercial/light industrial use with big motor/heavy machinery. Voltage wise we're talking about SPD (lightning surge protection) Type2.. where there are ciplak MOV types sold for 20-30 bucks made in china unknown brands to about 2xx for a single phase Hager/Schneider, and about 400-500 for 3ph+N for ABB/Hager/Schneider. It is easier to find the 3P+N type than the single phase 1P+N SPD. |
|
|
Jan 1 2021, 11:19 PM
Show posts by this member only | IPv6 | Post
#114
|
![]() ![]() ![]() ![]() ![]() ![]() ![]() ![]()
All Stars
11,667 posts Joined: Jan 2003 From: Klang/Subang |
QUOTE(beLIEve @ May 10 2017, 03:06 PM) Back to the original topic. Due to the prohibitive cost of purchasing other B curve MCB (from RS) I just use B16 x2 for my WH circuits on Siemens 5SJ series cos they were relatively affordable at 15 bucks each. The rest cost one extra digit per MCB :xAnyone here use MCB Type B at home? Seems like everyone is using Type C, but of course, most were probably installed by developers. Forgotten to find out if Pasar Road is selling Type B. The last time I bought, I didn't know the existence of Types B C D, they just gave me a Type C. |
|
|
Jun 4 2022, 11:24 PM
Show posts by this member only | IPv6 | Post
#115
|
![]() ![]() ![]()
Junior Member
440 posts Joined: Apr 2005 |
QUOTE(ceo684 @ Jan 1 2021, 11:19 PM) Due to the prohibitive cost of purchasing other B curve MCB (from RS) I just use B16 x2 for my WH circuits on Siemens 5SJ series cos they were relatively affordable at 15 bucks each. The rest cost one extra digit per MCB :x Hi ceo64, mind share where to get the 5sj .. seems Google malaysia search didn't give much result |
|
|
Jun 5 2022, 08:08 AM
Show posts by this member only | IPv6 | Post
#116
|
![]() ![]() ![]() ![]() ![]() ![]() ![]() ![]()
All Stars
11,667 posts Joined: Jan 2003 From: Klang/Subang |
|
|
|
Jun 5 2022, 09:47 AM
|
![]() ![]() ![]()
Junior Member
440 posts Joined: Apr 2005 |
Thanks ceo684
One question , for old house with old wiring , will it have frequent trip if I use 30mA RCD ? I know will have voltage drop for old wiring but for current , total In=total Out + some minor leakge current right , it should not matter if use 30mA for old house right. Just check, my old house has really old stuff, don even know what the black color stuff is. The DB box just have mcb, does not have any rcd, any idea which type (40A,63A) i should buy ? my intention is to improve the house electrical safety , probably need to have a enclose case for that rccb too any recommendation » Click to show Spoiler - click again to hide... « and also planning to replace the elcb for the WH to mcb + rccb just buy 3 way DB that fit + 20A MCB + ABB F202 RCCB 25A 10mA will do right need to make sure technician use 4mm2 cable during installation too ? » Click to show Spoiler - click again to hide... « This post has been edited by cfc: Jun 5 2022, 01:08 PM |
|
|
Apr 11 2023, 11:00 AM
|
![]() ![]() ![]() ![]() ![]() ![]() ![]()
Senior Member
4,949 posts Joined: Jul 2010 |
Apologies for necroing this old but useful thread.
My existing WH is only protected by 18mm-width C20 MCB. May I know: 1) this 18mm MCB is 1P+N, correct? 2) is this 1P+N mcb safe compared to 2P MCB? 3) if I add RCCB, do I use 1P+N or 2P RCCB? TQVM |
|
|
Apr 12 2023, 11:07 AM
|
![]() ![]() ![]()
Junior Member
358 posts Joined: Aug 2008 From: Oxpod |
guys help take a look.
red-C10, blue C-20 and bottom most row C-32 C-32 i use for AC, Water Heater and Oven..using 4mm wire for all C-32. ![]() |
|
|
Apr 13 2023, 12:07 AM
Show posts by this member only | IPv6 | Post
#120
|
![]() ![]() ![]() ![]() ![]() ![]() ![]() ![]()
All Stars
11,667 posts Joined: Jan 2003 From: Klang/Subang |
QUOTE(Ichighost @ Apr 12 2023, 11:07 AM) guys help take a look. where is the 10mA RCD for WH?red-C10, blue C-20 and bottom most row C-32 C-32 i use for AC, Water Heater and Oven..using 4mm wire for all C-32. ![]() mushigen liked this post
|
|
|
Apr 14 2023, 09:55 AM
|
![]() ![]() ![]() ![]() ![]()
Junior Member
821 posts Joined: Apr 2012 |
Hello all the kind souls and sifu, wondering whether anybody could give me good advise accordingly? My double storey house is about 30+ years old and the db is rather due to upgrade I think.
some of the mcb is not able to push it down anymore, the lever stuck at the position ON which is rather dangerous I think. Currently, I am thinking of adding more sockets to three of my rooms. two sockets to each room and total of 6 sockets. Then, pulling 1 socket for kitchen hood and 2 for general sockets for kitchen usage. Wondering what are the good steps for me to do as of my situation. I wanted to buy parts myself and ask electrician to do as I worry they might cheap out the part but I am not familiar with electric stuffs. So I really appreciate any input from any sifus. thanks a lot in advanced. » Click to show Spoiler - click again to hide... « |
|
|
Apr 24 2023, 12:10 PM
Show posts by this member only | IPv6 | Post
#122
|
![]() ![]() ![]() ![]() ![]() ![]() ![]() ![]()
All Stars
11,667 posts Joined: Jan 2003 From: Klang/Subang |
QUOTE(PowerGadget @ Apr 14 2023, 09:55 AM) Hello all the kind souls and sifu, wondering whether anybody could give me good advise accordingly? My double storey house is about 30+ years old and the db is rather due to upgrade I think. Mullti9 macam fake breakers sia. Never heard of them. Even google images don’t seem to have mullti9some of the mcb is not able to push it down anymore, the lever stuck at the position ON which is rather dangerous I think. Currently, I am thinking of adding more sockets to three of my rooms. two sockets to each room and total of 6 sockets. Then, pulling 1 socket for kitchen hood and 2 for general sockets for kitchen usage. Wondering what are the good steps for me to do as of my situation. I wanted to buy parts myself and ask electrician to do as I worry they might cheap out the part but I am not familiar with electric stuffs. So I really appreciate any input from any sifus. thanks a lot in advanced. » Click to show Spoiler - click again to hide... « Plus the RCD 63A 0.01A sensitivity from Hager can't find anything on that P/N CB2642, for the fun of it I contacted Hager to see if they ever made it. I highly suspect it is fake. For the parts u can buy from Official Store on shopee x For replacement of existing MCB - U just need to buy 4pcs MCB each i.e. 4x 6A 4x 20A 4x 32A https://shopee.com.my/ABB-6kA-MCB-SH201-6A-...113.12706623208 For existing RCD [suspect fake part] 1x 2P 63A 30mA https://shopee.com.my/ABB-RCCB-ELCB-FH202-AC-63-0.03-(30mA)-2-POLE-(2P)-i.403384113.11846935209 Then, pulling 1 socket for kitchen hood and 2 for general sockets for kitchen usage. --The "suck hot air" hood is only 300W or so at most so not a problem to tap on existing socket "looping" --If its the "electric cooker top u cook on" this one pull a new line from DB box and add a 20A MCB This post has been edited by ceo684: Apr 24 2023, 12:53 PM PowerGadget liked this post
|
|
|
Apr 25 2023, 09:33 AM
Show posts by this member only | IPv6 | Post
#123
|
![]()
Junior Member
28 posts Joined: Apr 2005 |
Hi everyone. I have a strange problem with my water heater MCB. It always trip off, at random timing. Even when the water heater switch is off, that particular MCB will trip off at random time. May I know what is the problem? MCB (15 years old) became too sensitive or faulty? Or maybe wiring problem? I’m staying in a condominium.
This post has been edited by lcloon: Apr 25 2023, 09:34 AM |
|
|
Apr 26 2023, 05:57 PM
|
![]() ![]() ![]() ![]() ![]()
Junior Member
821 posts Joined: Apr 2012 |
QUOTE(ceo684 @ Apr 24 2023, 12:10 PM) Mullti9 macam fake breakers sia. Never heard of them. Even google images don’t seem to have mullti9 Thanks for your help, ceo684! Really appreciate it.Plus the RCD 63A 0.01A sensitivity from Hager can't find anything on that P/N CB2642, for the fun of it I contacted Hager to see if they ever made it. I highly suspect it is fake. For the parts u can buy from Official Store on shopee x For replacement of existing MCB - U just need to buy 4pcs MCB each i.e. 4x 6A 4x 20A 4x 32A https://shopee.com.my/ABB-6kA-MCB-SH201-6A-...113.12706623208 For existing RCD [suspect fake part] 1x 2P 63A 30mA https://shopee.com.my/ABB-RCCB-ELCB-FH202-AC-63-0.03-(30mA)-2-POLE-(2P)-i.403384113.11846935209 Then, pulling 1 socket for kitchen hood and 2 for general sockets for kitchen usage. --The "suck hot air" hood is only 300W or so at most so not a problem to tap on existing socket "looping" --If its the "electric cooker top u cook on" this one pull a new line from DB box and add a 20A MCB I had called to my local store to inquiry about the parts availability. They came back to me with these price, wondering whether is reasonable as I am located in East Malaysia. » Click to show Spoiler - click again to hide... « I also contacted two electricians for this job as I am not confident enough to do it myself. First Electrician #1 » Click to show Spoiler - click again to hide... « Second Electrician #2 (ONLY LABOUR FEE, NO MATERIALS INCLUDE) » Click to show Spoiler - click again to hide... « Which one would be a better option for me? Anything that I need to be pay more attention? This post has been edited by PowerGadget: Apr 26 2023, 06:09 PM |
|
|
May 5 2025, 04:24 PM
Show posts by this member only | IPv6 | Post
#125
|
![]() ![]() ![]() ![]() ![]() ![]() ![]()
Senior Member
4,451 posts Joined: Jan 2003 |
QUOTE(kirlcheah @ Dec 31 2020, 11:07 PM) When you go to the shop to buy the 10mA to 30mA RCCB, this is designed for water heater. A single jolt of up to 50mA can actually kill us when there's a leakage from the water heater. When the 10mA or 30mA trip, it's designed to check for residual current so that anything over 10mA / 30mA will trip it to save your life. the electrician who came install EPS. how bad is this brand? Hence why only 10mA will be used for heater in case of water heater leakage. Mind you, installing a good RCCB would not save you if your house grounding wire is not good. You must remove the grounding cable from the electrode / grounding rod and test to get less than 10 ohm. This is dictated by ST. Less or equal to zero is the best and this is done for factories. This can be tested with a grounding meter. Please make sure to connect the cable back to grounding rod after opening it. Also, grounding cable must be at least 10mm cable or best is 16mm cable. Why this is needed to be this thick is because the grounding cable will have lower resistance and all voltage when hits your house during a lightning will travel via this cable to the grounding rod to be absorbed by earth. If you have a 1.5mm or 2.5mm or even 4mm, it will not work as good as a 10mm cable as the resistance is high thus the voltage will not use it as the main cable to travel to earth and will flow elsewhere into your house circuit. A lot of people don't understand and says that this will trip easily is because they do not know what it's designed for. If your house grounding is good and the 10mA RCCB trips, means there's issue with the circuit and require your attention. Either there's a lightning strike or the cable been damaged by mouse etc. You have to test the cables to make sure it's good. For house, the main RCCB should be at 100mA. Not 300mA. Those electrician who tells you your house need a 300mA, you better ask them to go and fly kite. 100mA is the maximum dictated by ST. Best is 30mA but it will always trip if there's lightning but if you have a 65kV Surge Arrestor installed, you should be alright without any RCCB trip cause the surge arrestor will absorb the voltage from the lightning. 45k is around RM500 plus. 65kV is around RM1000. Go figure. Buy only good MCB or RCCB with Sirim. There's a lot of fakes out there. EPS is low cost range. Buy Hager / Schneider. Hager is around RM8 for a MCB while Schneider is around RM 13 each. More expensive means it's more sensitive. EPS only cost RM4 dollars. I won't put my life in danger by using a MCB costing dollars.... This post has been edited by Moogle Stiltzkin: May 5 2025, 05:53 PM |
| Change to: | 0.1126sec
0.37
6 queries
GZIP Disabled
Time is now: 25th November 2025 - 03:31 AM |