QUOTE(lencent @ Nov 10 2019, 02:29 PM)
Hi, i have the same autogate as you and have been thinking how to control my porch light when i open the gate. Just wondering how do you tap the signal when the gate open or close for your automation?
Im not an expert with electrical so please bear with my stupid questions...
Edit: im using mi ecosystem with no custom firmware.
i dunno about mi ecosystem. are you controlling your porch light using the board or just normal on/off switch?
if u are tapping porch light from the board,u must know that the board can activate the porch light when the gate is opening and will turn off after the gate is closed.
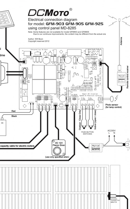
below taken from the user instructions of the dcmoto gfm925w
QUOTE
Pillar Lamp Control
Automatic Mode: When the gate is open during it is dark (detected by the photo sensor), pillar lamp will be switched on. After the gate is closed, the lamp will go off after 1 minute. Manual Mode: On and Off from the keypad or the remote control. [#]
ps: photosensor always on the board that always dark

but if you have normal on/off switch then you should do the automation. sense the gate is opening then turn on the porch light and vice versa.
to sense the opening/closing gate, if you using the same board as mine, i would suggest to use optocoupler 12VDC. input side tap it on port on autogate board it says LAMP. then other side tap it onto any GPIO,for my case i will tap on my sonoff 1ch on GPIO14,GND,VCC. need abit soldering. to simplify it
open gate>board sense it then send 12VDC to port LAMP>opto isolator triggered>pull dow logic to low GPIO14>publish MQTT gate open. the logic low will retained as long as the gate is open
and after the gate is closed, the board will stop send 12VDC after 1min to port LAMP> opto isolator not triggered > logic high on GPIO14>publish MQTT gate closed.
sorry abit long to explain.
optocoupler exampleQUOTE(Fubar20 @ Nov 10 2019, 02:37 PM)
From the photo near the bottom right, I believe he connect the Common and NO port of the Sonoff to the place labeled as "P SW Normal" of the autogate board. Refer to the white cable with a red strip for connection
what Fubar20 said is correct